Filling Machine for Liquid Seasonings

Filling Machine

SHIRO INDUSTRY

Packaging Materials Packaging Tools Distribution equipments Measurement devices Detergents / Chemicals Fluorescent lamp Seasonal products (summer) Seasonal products (winter) Electronics tools Hoist Environment Cleaners Movotec Precision cutting tools Machine tools Cooking tools Laboratory supplies Safety / Security / Disaster Prevention goods Exterior goods New products Uesd Goos


カテゴリー第二分類(包装機械)
Packaging Tool category list

Filling Machine for Liquid Seasonings Product Code M1502TB-400 Details
Product Code M1502TB-400 Price
めんつゆ等充填機M1502TB-400 ●Usable with clarifying agents and hot liquids (up to 80℃).
●Fills or cleans with the push of a button!

※Not usable with viscous liquids or liquids with mixed solids
Filling Machine for Liquid Seasonings
Product Code M1502TB-400
Please contact us for prices.
■Features
●Easily fills containers with liquid seasonings. Filling amount adjustable using a timer.

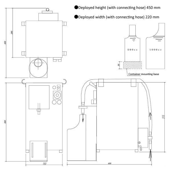
■Dimensions



■Specifications
Code M1502TB-400
Performance 3,600 cc/min
(for self-priming head of 1 m)
Precision ±5% or lower
Power supply 50W/100V
Size W 180×L 360×H 340 mm
Weight 3 kg
Setting Analog timer
Notes Not usable with viscous liquids
or liquids with mixed solids

Freight cost and taxes are not included in the price.

[HOME] [ORDER] [REQUEST FOR QUOTATION] TEL 0729-64-8663 FAX 0729-61-4874

Open Monday to Friday from 9:00 am to 7:00 pm / Closed every Saturday, Sunday and Public holiday