キャブタイヤー給電/ケーブルキャリア(メッセンジャーワイヤー用)

ホイスト

業務機器&資材 シロ産業 HOME
新製品情報 在庫処分情報 会社概要
見積依頼 ご注文フォーム お問い合わせ
業務用機材商社一筋で、創業41年。東大阪市商工会議所会員、2005年度IT百選企業。
国公立大学、研究所、自衛隊、警察庁 など主な国公立機関に納入実績多数。医療機器販売業免許取得済

包装資材 包装機械 物流機器 測定機器 洗剤 ケミカル 蛍光灯 季節品-夏 季節品-冬 弱電工具 ホイスト 環境機器 掃除機 ムーブテック 切削工具 機械工具調理厨房機器 研究室用品 安全防犯防災品 エクステリア 新商品 在庫処分


カテゴリー第二分類(ホイスト)
ホイストカテゴリー一覧を見る

関連商品一覧

キャブタイヤー給電ケーブルキャリア(メッセンジャーワイヤー用) /
品番 CK-01/CK-02/CK-03
【詳細表示】
商品番号 CK-01/CK-02/CK-03 価 格

CK-01

取付が簡単にでき、増設、移設も手軽に行える簡易型です。

メッセンジャーワイヤー
φ3~φ8mm以内用
<5.5mm2~38mm2>

キャブタイヤー給電
ケーブルキャリア
品番 CK-01
品番 CK-02
品番 CK-03
価格は下記をご覧下さい。



CK-02 CK-03

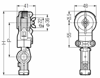
■仕様
品番 CK-01 CK-02 CK-03
適合ケーブル径(mm) φ10~φ20 φ10~φ20 φ20~φ30
吊り数 1 2 1
サイズ
(下記寸法図参照)
H 151 177 159
P 79 78 83
ケース入数 100
最小出荷ロット 10/小箱


■寸法図

運賃、および消費税は、記載価格には、含まれていません。

[トップページに戻る] [注文書] [見積り依頼] TEL 0729-64-8663 FAX 0729-61-4874

営業時間 AM9:00~PM7:00 営業日 月曜日~金曜日 定休日 土曜日 日曜日 祝日