エアー集塵吸引機
エアー式掃除機
業務用機材商社一筋で、創業41年。東大阪市商工会議所会員、2005年度IT百選企業。
国公立大学、研究所、自衛隊、警察庁 など主な国公立機関に納入実績多数。医療機器販売業免許取得済
■包装資材
■包装機械
■物流機器
■測定機器
■洗剤 ■ケミカル
■蛍光灯
■季節品-夏
■季節品-冬
■弱電工具
■ホイスト
■環境機器
■掃除機
■ムーブテック
■切削工具
■機械工具■調理厨房機器
■研究室用品
■安全防犯防災品
■エクステリア
■新商品
■在庫処分
掃除機カテゴリー一覧を見る
| エアー集塵吸引機/品番 M212-120020Bシリーズ |
【詳細表示】 |
| 商品番号 |
M212-120020Bシリーズ |
価 格 |
 |
吸引した供給エアー量に対し、最大25倍の強力で静かなエアーを吐出する、アルミ製の空気増幅器。
回転部が無いので保守等の心配がいらず、コンパクト設計で、送風、冷却、集塵、搬送など、さまざまな用途に利用できます。 |
エアー集塵吸引機
品番 M212-120020B
価格は下記をご覧下さい。 |
■用途
●切削・研削加工時に発生する切り粉、粉塵の処理
●各種製品、部材の洗浄後の水切り
●部材、部品の熱処理後のエアーブロー
●樹脂ペレットのホッパーへの供給
●その他換気用として
■用途例
| 木材の切断時に発生する木屑の回収 |
溶接作業におけるヒュームガス等の除去 |
 |
 |
■性能
供給圧力:5.5kg/cm2
| 品番 |
空気消費量
(L/min) |
増幅率
(倍率) |
空気吐出量(L/min) |
騒音値
(dBA) |
| 出口 |
at.15cm |
| M212-120020B |
173
|
12
|
2066
|
6198
|
69
|
| M212-120021B |
229
|
18
|
4132
|
12339
|
72
|
| M212-120022B |
439
|
22
|
9650
|
28951
|
72
|
| M212-120024B |
826
|
25
|
20659
|
61977
|
73
|
| M212-120028B |
3396
|
25
|
84900
|
254700
|
88
|
※材質が鉄製のタイプもございますので、メールかFAXにてお問い合わせください。
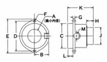
■寸法図
M212-120020B/M212-120021B
M212-120022B/M212-120024B |
M212-120028B |
 |
 |
■寸法(単位:mm)
| 品番 |
A
|
B
|
C
|
D
|
E
|
F
|
G
|
H
|
J
|
K
|
L
|
M
|
| M212-120020B |
11
|
19
|
25
|
45
|
58
|
5
|
5
|
13
|
19
|
64
|
15
|
1/8
|
| M212-120021B |
21
|
24
|
38
|
61
|
77
|
7
|
5
|
19
|
31
|
73
|
15
|
1/4
|
| M212-120022B |
42
|
43
|
75
|
91
|
105
|
7
|
6
|
19
|
51
|
76
|
16
|
3/8
|
| M212-120024B |
77
|
71
|
125
|
175
|
214
|
14
|
14
|
44
|
101
|
121
|
24
|
1/2
|
| M212-120028B |
157
|
114
|
229
|
―
|
―
|
―
|
―
|
62
|
203
|
227
|
45
|
3/4
|
|
運賃、および消費税は、記載価格には、含まれていません。
[トップページに戻る]
[注文書]
[見積り依頼] TEL 0729-64-8663 FAX 0729-61-4874
営業時間 AM9:00~PM7:00 営業日 月曜日~金曜日 定休日 土曜日 日曜日 祝日