| マグネットリフト(平鋼専用タイプ・平鋼丸鋼兼用タイプ)/品番 M75-L15シリーズ |
【詳細表示】 |
| 商品番号 |
M75-L15シリーズ |
価 格 |
 |
●磁石性能を大幅に高め、作業効率をアップ。
●4つの磁極が確実につり荷を吸着。
●平鋼専用タイプと平鋼・丸鋼兼用タイプの豊富なバリエーション。 |
マグネットリフト
(平鋼専用タイプ・平鋼丸鋼兼用タイプ)
品番 M75-L15シリーズ
廃番 |
■特徴
単位体積当たりの磁力が大幅アップ。さらに軽量、小形化を実現。取り扱いも容易で、いっそう使いやすくなりました。
●スイッチレーバーのみの簡単操作で、吊り荷の吸着、取外しもラクラク。
●停電による危険がない、永久磁石式。
●独自のマグネット構造
●吊り荷の形状(平鋼・丸鋼)や重量に合わせて選べるバリエーション
■4つの磁極が確実に吊り荷を吸着。
一般的なリフティングマグネットの磁極数は2つですが、本機の磁極数は4つとなっています。
このため、磁力の束が4つ発生し効率よく確実に吊り荷を吸着します。また、平鋼/丸鋼兼用タイプでは、底面V字溝の開き角度を広げて、丸鋼曲面への磁力が効率よく流れる形状となっています。

■タイプ
●平鋼専用タイプ
| M75-L07 |
M75-L15 |
 |
 |
| M75-L30 |
M75-L50 |
 |
 |
| M75-L80 |
M75-L100 |
 |
 |
●平鋼/丸鋼兼用タイプ
| M75-L07 |
M75-M12 |
 |
 |
| M75-M25 |
M75-M45 |
 |
 |
| M75-M75 |
M75-M95 |
 |
 |
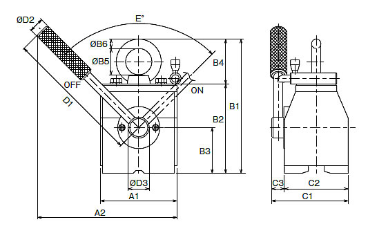
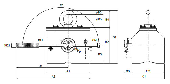
■寸法
| M75-L07、M75-M07 |
 |
| M75-L15、M75-M12 |
 |
| M75-L30/50/80/100、M75-M25/45/75/95 |
 |
■仕様
●平鋼専用タイプ
| 品番 |
M75-L07 |
M75-L15 |
M75-L30 |
M75-L50 |
M75-L80 |
M75-L100 |
| (※)定格吊上げ容量(kg) |
70 |
150 |
300 |
500 |
800 |
1000 |
| 質量(kg) |
4.2 |
7 |
14 |
21 |
35 |
44 |
| 寸法(mm) |
A1 |
102 |
154 |
184 |
242 |
263 |
| A2 |
155 |
185 |
257 |
307 |
391 |
431.5 |
| B1 |
154 |
179 |
220 |
265 |
309 |
| B2 |
94 |
119 |
149 |
175 |
199 |
| B3 |
48.5 |
61 |
75 |
88 |
101 |
| B4 |
60 |
71 |
90 |
110 |
| B5 |
35 |
40 |
50 |
60 |
| B6 |
12.5 |
16 |
20 |
25 |
| C1 |
86.5 |
102 |
127 |
147.5 |
158 |
| C2 |
65 |
85 |
95 |
115 |
| C3 |
21.5 |
17 |
32.5 |
43 |
| D1 |
123.5 |
182 |
180 |
215 |
270 |
300 |
| D2 |
25 |
20 |
22 |
| D3 |
28 |
60 |
75 |
75 |
| E |
100 |
90 |
180 |
●(※)定格吊上げ容量については下記をご覧下さい
●上記諸元の質量・寸法は概略値です。
| 品 番 |
M75-M07 |
M75-M12 |
M75-M25 |
M75-M45 |
M75-M75 |
M75-M95 |
| (※)定格吊上げ容量(kg) |
平鋼 |
70 |
120 |
250 |
450 |
750 |
950 |
| 丸鋼 |
50(φ120) |
100(φ160) |
200(φ200) |
300(φ200) |
500(φ300) |
700(φ300) |
| 質量(kg) |
5 |
7 |
15 |
25 |
40 |
50 |
| 寸 法(mm) |
A1 |
102 |
154 |
184 |
242 |
263 |
| A2 |
155 |
185 |
257 |
307 |
391 |
431.5 |
| B1 |
154 |
179 |
220 |
265 |
309 |
| B2 |
94 |
119 |
149 |
175 |
199 |
| B3 |
48.5 |
61 |
75 |
88 |
101 |
| B4 |
60 |
71 |
90 |
110 |
| B5 |
35 |
40 |
50 |
60 |
| B6 |
12.5 |
16 |
20 |
25 |
| C1 |
96.5 |
102 |
147.5 |
167.5 |
178 |
| C2 |
75 |
85 |
115 |
135 |
| C3 |
21.5 |
17 |
32.5 |
43 |
| D1 |
123.5 |
182 |
180 |
215 |
270 |
300 |
| D2 |
25 |
20 |
22 |
| D3 |
28 |
60 |
60 |
75 |
75 |
| E |
100 |
90 |
180 |
●(※)定格吊上げ容量については下記をご覧下さい
●上記諸元の質量・寸法は概略値です。
■ご使用に際して 「吸着力」「定格吊上げ容量」について理解された上でご使用下さい。
「吸着力」
つり荷条件である、材質、板厚、直径、表面粗さ、塗装・メッキ、つり荷つり上げ面と吸着面の隙間によって、有効な吸着力は違ってきます。下記図1~6を参照下さい
図1
材質による吸着力の違い(%) |
図2
板厚による吸着力の違い(%) |
図3
丸鋼直径による吸着力の違い(%) |
 |
 |
 |
図4
表面仕上げによる吸着力の違い (%) |
図5
装、メッキによる吸着力の違い(%) |
図6
隙間による吸着力の違い(%) |
 |
 |
 |
「定格つり上げ容量」
最も条件の整った状態で得られる吸着力を「最大つり上げ能力」と称し、「最大つり上げ能力」の1/3を使用の時の目安として「定格吊上げ容量」と称します。
「使用機種の選定」
つり荷の重量に、つり荷条件および使用条件から得られる補正係数を乗じて、安全につり上げるために必要な定格吊上げ容量を有する機種を選定して下さい。
■選定条件
①つり荷の重量
②つり荷の条件:つり荷条件を図1~6にあてはめ、有効吸着力を読み取り、この有効吸着力から補正係数を求めます。例えば有効吸着力が80%の場合、補正係数は1/0.8となります。
③使用条件:荷のバランス、揺れなどを考慮し補正係数を決定します。一般的な使用条件では最低1.1として下さい。インチングや荷のバウンドが発生する場合は余裕を持った補正係数を設定して下さい。
■設定例
つり荷条件が平鋼100kg、材質S45C熱処理、板厚30mm、表面仕上げ▽、塗装及び隙間なしで、使用条件が一般的である場合
| つり荷重量 |
つり荷条件 |
【図1】
材質 |
【図2】
板厚 |
【図3】
丸鋼直径 |
【図4】
表面仕上げ |
【図5】
塗装・メッキ |
【図6】
隙間 |
使用条件 |
| S45C熱処理 |
30mm |
- |
▽ |
なし |
なし |
一般 |
| 100kg |
補正係数 |
1/0.8 |
1/1 |
- |
1/0.95 |
- |
- |
1.1 |
●必要な定格吊上げ容量=100×1/0.8×1/0.95×1.1=144.7kg よって、M75-L15以上を選定します |