|
|
| ミニ集塵機/品番 M945S-R25MFシリーズ | 【詳細表示】 | |||||||||||||||||||||||||||||||||||||||||||||||||||||||||||||
| 商品番号 | M945S-R25MFシリーズ | 価 格 | ||||||||||||||||||||||||||||||||||||||||||||||||||||||||||||
![]() |
主に半田付け作業の環境を改善し作業能率を高めます。非常に小型で持ち運びも容易、設備工事の必要はありません。 静かな運転で、病院、実験室、一般家庭内、小規模工場等に広く用いられている新しい吸煙システムでます。 |
ミニ集塵機 品番 M945S-R25MFシリーズ 価格は下記をご覧下さい |
||||||||||||||||||||||||||||||||||||||||||||||||||||||||||||
| ■特長 ●新しい吸煙システム ●小型軽量で持ち運びが容易 ●最大静圧:80mmAq ●最大風量:1000L/min ■タイプ
■仕様
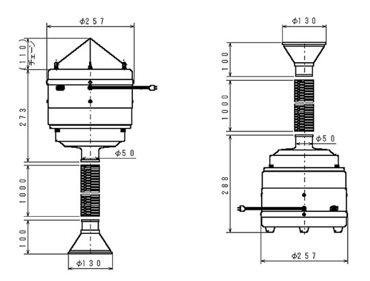
■寸法図
|
||||||||||||||||||||||||||||||||||||||||||||||||||||||||||||||

[トップページに戻る][注文書] [見積り依頼] TEL0729-64-8663 FAX 0729-61-4874
営業時間 AM9:00〜PM7:00 営業日 月曜日〜金曜日 定休日 土曜日 日曜日 祝日