パレット用半自動梱包機

半自動梱包機

業務機器&資材 シロ産業 HOME
新製品情報 在庫処分情報 会社概要
見積依頼 ご注文フォーム お問い合わせ
業務用機材商社一筋で、創業41年。東大阪市商工会議所会員、2005年度IT百選企業。
国公立大学、研究所、自衛隊、警察庁 など主な国公立機関に納入実績多数。医療機器販売業免許取得済

包装資材 包装機械 物流機器 測定機器 洗剤 ケミカル 蛍光灯 季節品-夏 季節品-冬 弱電工具 ホイスト 環境機器 掃除機 ムーブテック 切削工具 機械工具調理厨房機器 研究室用品 安全防犯防災品 エクステリア 新商品 在庫処分


カテゴリー第二分類(包装機械)
包装機械カテゴリー一覧を見る

関連商品一覧

パレット用半自動梱包機/品番 MC2255PLT 【詳細表示】
商品番号 MC2255PLT 価 格
パレット梱包の際に面倒なバンド通しが簡単に出来る。

※左画像はオプションのバッテリー搭載&バンドウェイ高さ調整レバー仕様です。
パレット用半自動梱包機
品番 MC2255PLT
■特長
●パレット積載物の梱包で最も面倒な作業=パレットの隙間にバンドを通す作業を簡略化。どこでも使用できる移動式パレット梱包機。

●締まり具合を確認しながら、引締めできる増締め機能搭載
●バンド送りなど使いやすい操作レバーを追加

●保管スペースをとらない折畳み式アーチ搭載
●キャスター付でどこでも移動可能
●オプションでバンドウェイ高さ調整レバーもございます。


■仕様
品番 MC2255PLT
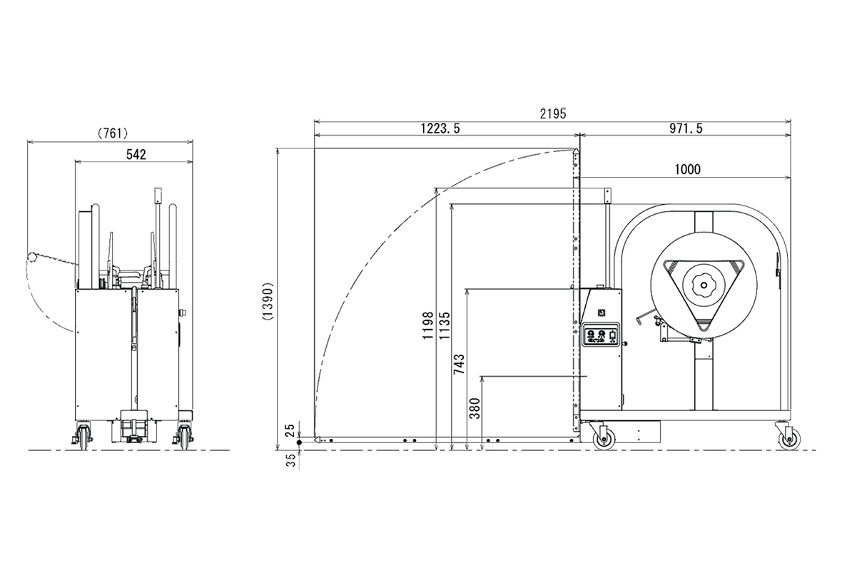
機械寸法※1 全幅 2195mm(1000mm)
奥行 542mm
全高 1208mm(1390mm)
梱包可能高さ 380mm~(床面より)
機械重量※2 約85kg (約130kg)
引締め方式 トルク方式
最大引締力 70kgf
使用バンド 12~15.5mm
PPバンド専用
電源 単相 100V
最大消費電力 0.4kW
オプション DC12Vバッテリー電源
※1:( )内はバンドウェイ収納時
※2:( )内はバッテリー仕様の数値


■外形図

運賃、および消費税は、記載価格には、含まれていません。

[トップページに戻る] [注文書] [見積り依頼] TEL 0729-64-8663 FAX 0729-61-4874

営業時間 AM9:00~PM7:00 営業日 月曜日~金曜日 定休日 土曜日 日曜日 祝日