|
|
■包装資材
■包装機械
■物流機器
■測定機器 ■洗剤■ケミカル
■蛍光灯
■季節商品(夏)
■季節商品(冬)
■弱電工具
■ホイスト
■環境機器
■掃除機
■ムーブテック
■切削工具
■機械工具■調理厨房機器
■研究室用品
■安全防犯防災用品
■エクステリア
■新商品情報
■在庫処分情報
▼テープカッター−テープディスペンサー − バッグシーラー − ボックスシーラー −▼緩衝材製造機
▼真空包装機−▼超音波ホッチキス−▼シーラー −▼シュリンク包装セット − シュリンク収縮機
▼荷造機 - ステープラー - 帯掛機 - 結束機 -電動ターンテーブル ▼プリンタ -インクジェットプリンタ
▼ テープ封緘機 - 自動梱包機 - 半自動梱包機 - ▼その他の包装機械- ▼中古梱包機械- メインページへ戻る
| 半自動梱包機/品番 MC2255Tシリーズ | 【詳細表示】 | ||||||||||||||||||||||||||||||||||||||||||||||||||||||||||||||||||||||||||||||||||||||||
| 商品番号 | MC2255Tシリーズ | 価 格 | |||||||||||||||||||||||||||||||||||||||||||||||||||||||||||||||||||||||||||||||||||||||
![]() |
製品重量、サイズの大きい製品から封筒・ICチップ等が入ったプラスチックトレーなど傷つきやすく小さい製品の梱包もお任せ下さい。 業界初の引締め選択機能採用 表面がやわらかく痛みやすい化粧箱などを弱く締めたい場合や、スピードを重視される場合はストローク締め方式、シートなどサイズが大きく、柔軟性のある製品をしっかりと梱包したい場合は、トルク締め方式がおすすめです。 |
半自動梱包機 品番 MC2255Tシリーズ 廃番 |
|||||||||||||||||||||||||||||||||||||||||||||||||||||||||||||||||||||||||||||||||||||||
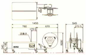
| ■各特長・用途 ●MC2255T 事務所のカウンター他、工場の作業台など僅かなスペースで設置できる超コンパクト機種。 日常のちょっとした荷作りにおすすめです。 ●MC2255LA 重量物や大型製品のバンド掛けに適した低床型。 広い作業テーブルの下にバンドをセットできるためコンパクトで使いやすさがアップしています。 ●MC2255LB 重量物や大型製品のバンド掛けに最適な超低床型。 重たい梱包物を高く持ち上げることなく梱包できます。 ■タイプ・外形寸法図
■仕様
|
|||||||||||||||||||||||||||||||||||||||||||||||||||||||||||||||||||||||||||||||||||||||||

[トップページに戻る][注文書] [見積り依頼] TEL0729-64-8663 FAX 0729-61-4874
営業時間 AM9:00〜PM7:00 営業日 月曜日〜金曜日 定休日 土曜日 日曜日 祝日
![]()