ケーブルハンガー

吊り具

業務機器&資材 シロ産業 HOME
新製品情報 在庫処分情報 会社概要
見積依頼 ご注文フォーム お問い合わせ
業務用機材商社一筋で、創業41年。東大阪市商工会議所会員、2005年度IT百選企業。
国公立大学、研究所、自衛隊、警察庁 など主な国公立機関に納入実績多数。医療機器販売業免許取得済

包装資材 包装機械 物流機器 測定機器 洗剤 ケミカル 蛍光灯 季節品-夏 季節品-冬 弱電工具 ホイスト 環境機器 掃除機 ムーブテック 切削工具 機械工具調理厨房機器 研究室用品 安全防犯防災品 エクステリア 新商品 在庫処分


カテゴリー第二分類(ホイスト)
ホイストカテゴリー一覧を見る

関連商品一覧

ケーブルハンガー/品番 MC59DC-TSKシリーズ 【詳細表示】
商品番号 MC59DC-TSKシリーズ 価 格
ケーブルハンガー
品番 MC59DC-TSKシリーズ
価格は下記をご覧ください
■特長
●C形鋼レールを円滑に走行。
●C形鋼レール専用のケーブルハンガー。
●ローラーは4輪式でボールベアリング製とアセタール樹脂製があり、ともに優れた走行性能を発揮します。移動機器給電用ケーブルハンガーとしてご利用ください。


■タイプ
MC59DC-TMK MC59DC-TWK MC59DC-MK

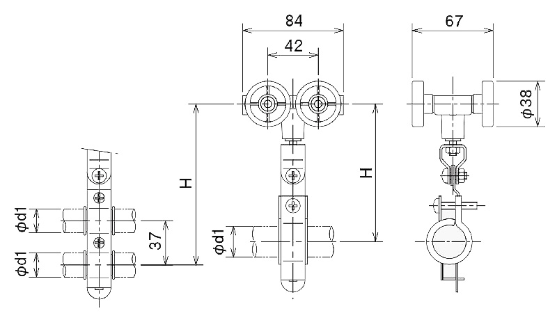
■C形鋼レール寸法図


■寸法図
図-1


図-2


■仕様
品番 MC59DC-TSK MC59DC-TGK MC59DC-TMK MC59DC-TWK
仕様 ローラー ボールベアリング4輪
台車
(クロメートメッキ仕上げ)
吊部
(クロメートメッキ仕上げ)
C形鋼幅寸法 75×45×15mm
適用ケーブル径
φd1
10~20mm 26~38mm 18~26mm 10~20mm
ケーブル本数 1 2
寸法 H 96mm 118mm 113mm 134mm
図面 図-1
許容吊り下げ荷重 49N(5.0kgf)
重量 0.46kg 0.49kg



品番 MC59DC-SK MC59DC-GK MC59DC-MK
仕様 ローラー アセタール樹脂
台車 ポリカーボネート樹脂
吊部
C形鋼幅寸法
(mm)
75×45×15mm
適用ケーブル径
φd1(mm)
10~20mm 26~38mm 18~26mm
ケーブル本数 1
寸法 H 97mm 119mm 114mm
図面 図-2
許容吊り下げ荷重 49N(5.0kgf)
重量(kg) 0.21 0.24

運賃、および消費税は、記載価格には、含まれていません。

[トップページに戻る] [注文書] [見積り依頼] TEL 0729-64-8663 FAX 0729-61-4874

営業時間 AM9:00~PM7:00 営業日 月曜日~金曜日 定休日 土曜日 日曜日 祝日