ケーブルキャリアー

吊り具

業務機器&資材 シロ産業 HOME
新製品情報 在庫処分情報 会社概要
見積依頼 ご注文フォーム お問い合わせ
業務用機材商社一筋で、創業41年。東大阪市商工会議所会員、2005年度IT百選企業。
国公立大学、研究所、自衛隊、警察庁 など主な国公立機関に納入実績多数。医療機器販売業免許取得済

包装資材 包装機械 物流機器 測定機器 洗剤 ケミカル 蛍光灯 季節品-夏 季節品-冬 弱電工具 ホイスト 環境機器 掃除機 ムーブテック 切削工具 機械工具調理厨房機器 研究室用品 安全防犯防災品 エクステリア 新商品 在庫処分


カテゴリー第二分類(ホイスト)
ホイストカテゴリー一覧を見る

関連商品一覧

ケーブルキャリアー/品番 MC59T2-PSシリーズ 【詳細表示】
商品番号 MC59T2-PSシリーズ 価 格
●取付けは、ワンタッチ
メッセンジャーワイヤーへの取付けは、押し込むだけです。
ケーブルのクランプも、確実で簡単です。高所作業が簡単で、安全になりました。
●軽くて、強い。
耐久性に優れたポリカーボネート樹脂ですから、屋外でも使用できます。
●保守・点検も簡単
メッセンジャーワイヤーを張った後でも、取付け・取り外しが、簡単です。
保守・点検も容易になりました。
ケーブルキャリアー
品番 MC59T2-PSシリーズ
価格は下記をご覧ください
■使用例(φ6ワイヤーでの使用)


■タイプ
MC59T2-PS MC59T2-PG MC59T2-PW




■点検基準(安全確保のため、下記の点検項目を実施してください。)
①外観、異常の有無。
②ハンガーの走行は軽快か。
③メッセンワイヤーのゆるみはないか。
④ケーブル等の伸縮部分に異常な曲げ、ねじれのくり返しがないか。
⑤ケーブルの吊り具のはずれはの有無。
⑥ケーブルの器具貫通部のゆるみの有無。
⑦ケーブル接続部のゆるみの有無。


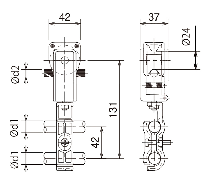
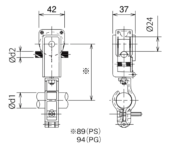
■寸法図
MC59T2-PS/PG MC59T2-PW
品番 適用ケーブル径
φd1(mm)
メッセンジャー適合
ワイヤー径φ
2d(mm)
MC59T2-PS φ10~φ21 φ3~φ10
MC59T2-PG φ20~φ30
MC59T2-PW φ10~φ21


■仕様
品番 材質 ケーブル
本数
重量 ロット数
ローラー 台車 吊部
MC59T2-PS ポリアセタール樹脂 ポリカーボネット樹脂 1 0.093 10
MC59T2-PG 0.098
MC59T2-PW 2 0.098

運賃、および消費税は、記載価格には、含まれていません。

[トップページに戻る] [注文書] [見積り依頼] TEL 0729-64-8663 FAX 0729-61-4874

営業時間 AM9:00~PM7:00 営業日 月曜日~金曜日 定休日 土曜日 日曜日 祝日