二重首振コレクター

ホイスト

業務機器&資材 シロ産業 HOME
新製品情報 在庫処分情報 会社概要
見積依頼 ご注文フォーム お問い合わせ
業務用機材商社一筋で、創業41年。東大阪市商工会議所会員、2005年度IT百選企業。
国公立大学、研究所、自衛隊、警察庁 など主な国公立機関に納入実績多数。医療機器販売業免許取得済

包装資材 包装機械 物流機器 測定機器 洗剤 ケミカル 蛍光灯 季節品-夏 季節品-冬 弱電工具 ホイスト 環境機器 掃除機 ムーブテック 切削工具 機械工具調理厨房機器 研究室用品 安全防犯防災品 エクステリア 新商品 在庫処分


カテゴリー第二分類(ホイスト)
ホイストカテゴリー一覧を見る

関連商品一覧

二重首振コレクター/品番 SCW-1シリーズ 【詳細表示】
商品番号 SCW-1シリーズ 価 格

二重首振コレクター
品番 SCW-1シリーズ
価格は下記をご覧ください

二重首振りコレクターSCW-1シリーズは、その名の通り頭部も回転しますので、トロリー線の曲線部や旋回部にも極めて高い追従性を示し、抜群の集電性能を発揮します。



■特長
●取付け時の追従角度は最大±30°です。
●コレクター本体には樹脂フレーム「MC59FL-4S-3305」が付属します。
●頭部も回転します。


■寸法図


■仕様
品番 SCW-1 SCW-2 SCW-3 SCW-4 SCW-5
容量 V AC600
A 60 100 150 200 60
接触圧(N) 20±5
(2±0.5kgf)
29±5
(3±0.5kgf)
20±5
(2±0.5kgf)
本体材質 SS400
三価クロメートメッキ仕上げ
ホイール材質 青銅鋳物 CAC(BC) カーボン
ホイール数 1 2 1
サイズ A 201~222 202~222 204~222 207~223
φDa 66 74 -
φDb 38 45 -
φd1 14 -
H 150~230 160~240 150~230
W 37 36
重さ(kg) 1.6 2.38 2.68 2.78 1.60
付属品 フレーム 
リード線 8mm2 22mm2 38mm2 8mm2
ブラシ - - - -
※SCW-5は受注生産品でスプリングがステンレス製となっております。



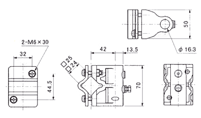
■二重首振コレクター用標準フレーム MC59FL-4S-3305

●フレーム本体材質はポリアセタール樹脂製。絶縁性に優れ、摩擦抵抗も小さい安全設計です。小型軽量のため取り扱いやすく耐久性も抜群です。
●MC59FL-4S-3305を2個お持ちであれば、背中合わせで組み合わせることにより、追加部品無しでタンデム式としてご利用いただけます。
この際、鋼製バンド2個とねじ2本は不要部品となります。



品番 品名 重量 寸法図
MC59FL-4S-3305 二重首振コレクター用標準フレーム 0.26

運賃、および消費税は、記載価格には、含まれていません。

[トップページに戻る] [注文書] [見積り依頼] TEL 0729-64-8663 FAX 0729-61-4874

営業時間 AM9:00~PM7:00 営業日 月曜日~金曜日 定休日 土曜日 日曜日 祝日