ジブクレーン床固定式標準型
ジブクレーン
業務用機材商社一筋で、創業41年。東大阪市商工会議所会員、2005年度IT百選企業。
国公立大学、研究所、自衛隊、警察庁 など主な国公立機関に納入実績多数。医療機器販売業免許取得済
■包装資材
■包装機械
■物流機器
■測定機器
■洗剤 ■ケミカル
■蛍光灯
■季節品-夏
■季節品-冬
■弱電工具
■ホイスト
■環境機器
■掃除機
■ムーブテック
■切削工具
■機械工具■調理厨房機器
■研究室用品
■安全防犯防災品
■エクステリア
■新商品
■在庫処分
ホイストカテゴリー一覧を見る
| ジブクレーン床固定式標準型/品番 SJBC1520Kシリーズ |
【詳細表示】 |
| 商品番号 |
SJBC1520Kシリーズ |
価 格 |
 |
ジブクレーン床固定式標準型
品番 SJBC1520Kシリーズ
価格は下記をご覧下さい。 |
■特長
●自在関節式。
●コンクリート床の任意の場所にアンカーボルトで固定設置。
●近くに固定する柱がなく、天井も高く、床以外に固定できない場所での使用に最適。
●アームの組立・分解が非常に簡単。
●アームは中央の関節が、左右に180°曲がるようになっているため、有効に働き広い作業範囲を確保します。
●周りに障害物がない場合に、アーム全体が360°回転するため、作業範囲がさらに広がります。
●吊り上げ時、関節はあらかじめ曲がっている方向を基点に動作します。
※ホイストは別売りです。
■床アンカー固定部
規定強度以上のコンクリート床であれば設置場所は自由です。
(取付けはユーザーさまにての施工になります。アンカーボルトは付属されておりません。)

■使用例
大型旋盤等への加工物の取り付け、取り外しに、機械の横に設置して大変便利で作業効率を上げることができます。
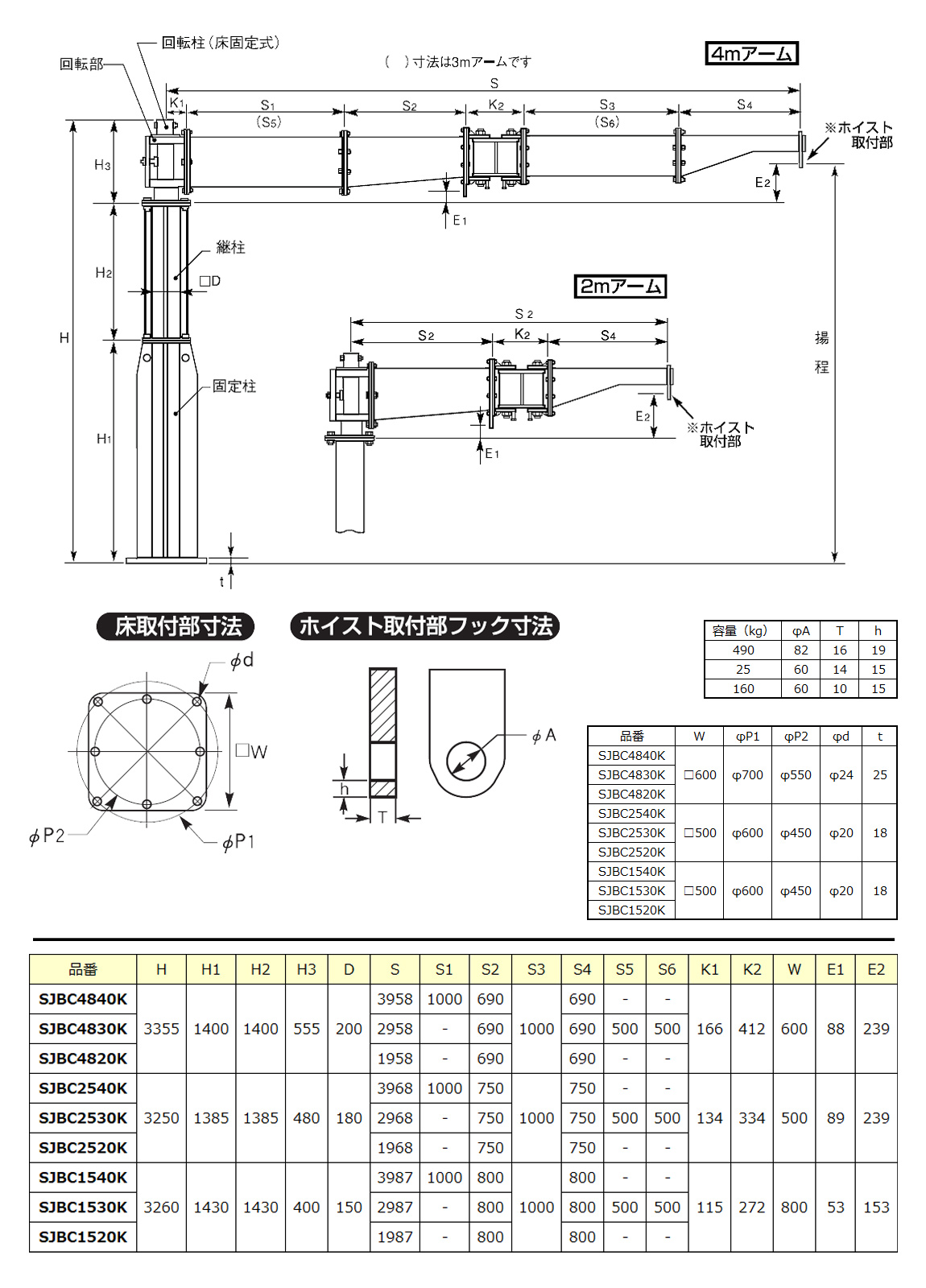
■仕様
| 品番 |
つり上げ荷重
(kg) |
アーム長
(mm) |
揚程
(m) |
質量
(kg) |
寸法図 |
設置方法 |
| SJBC1520K |
160 |
1987 |
3.0 |
284 |
 |
 |
| SJBC1530K |
2987 |
314 |
| SJBC1540K |
3987 |
332 |
| SJBC2520K |
250 |
1968 |
3.0 |
377 |
| SJBC2530K |
2968 |
420 |
| SJBC2540K |
3968 |
443 |
| SJBC4820K |
490 |
1958 |
3.1 |
575 |
| SJBC4830K |
2958 |
640 |
| SJBC4840K |
3958 |
675 |
※つり上げ荷重には、チェーンブロック・吊具自重等が含まれます。
※ホイストは別売りです。
|
運賃、および消費税は、記載価格には、含まれていません。
[トップページに戻る]
[注文書]
[見積り依頼] TEL 0729-64-8663 FAX 0729-61-4874
営業時間 AM9:00~PM7:00 営業日 月曜日~金曜日 定休日 土曜日 日曜日 祝日