大型床置き工場送風機(600mm)
循環扇・送風機
業務用機材商社一筋で、創業41年。東大阪市商工会議所会員、2005年度IT百選企業。
国公立大学、研究所、自衛隊、警察庁 など主な国公立機関に納入実績多数。医療機器販売業免許取得済
■包装資材 ■包装機械 ■物流機器 ■測定機器 ■洗剤 ■ケミカル ■蛍光灯 ■季節品-夏 ■季節品-冬 ■弱電工具 ■ホイスト ■環境機器 ■掃除機 ■ムーブテック ■切削工具 ■機械工具■調理厨房機器 ■研究室用品 ■安全防犯防災品 ■エクステリア ■新商品 ■在庫処分
冷房商品カテゴリー一覧を見る
| 有圧換気扇/品番 SSCFシリーズ |
【詳細表示】 |
| 商品番号 |
SSCFシリーズ |
価 格 |

25cmタイプ |
●信頼性の高い特殊ひねりの高性能ファンによりグングン換気します。
●昼と夜・夏と冬・作業状況等により必要換気量は大きく変化します。三段速調式(強・中・弱)の換気扇では押ボタン操作で風量調整が可能です。
●一速式は強のみ。 |
有圧換気扇
品番 SSCFシリーズ
廃番 |
■タイプ
●工場・作業場・倉庫などで広く使われる有圧換気扇
●丈夫なボディパネル、騒音を抑えた両面ベルマウス成型など最新鋭の技術を投入しました。
●ステンレスタイプはさびや腐食に強いステンレスSUS304製フレーム。防食塗装を施したモーターを採用(3級防食塗装)。
| 鉄製タイプ(下記画像はSSCF-50DE1) |
ステンレスタイプ |
 |
 |
■仕様
●有圧換気扇(本体鉄製):末尾番号T付きは、三段速調タイプ T無しタイプは、一速式です。
| 品番 |
ハネ径 |
速度調節 |
電流 |
モータ |
風量
(m3/min)
(0Pa時) |
騒音(dB) |
質量
(kg) |
出力
(W) |
極数
(P) |
50Hz |
60Hz |
50Hz |
60Hz |
| SSCF-25DA1 |
25cm |
1速式 |
単相100V |
30 |
4 |
18 |
21 |
44 |
46.5 |
6 |
| SSCF-30DB1 |
30cm |
1速式 |
60 |
4 |
25 |
28 |
46 |
48.5 |
7.5 |
| SSCF-35DC1 |
35cm |
1速式 |
100 |
4 |
37 |
42 |
49 |
52.5 |
10 |
| SSCF-40DD1 |
40cm |
1速式 |
150 |
4 |
49 |
55 |
53.5 |
56.5 |
11.5 |
| SSCF-50DE1 |
50cm |
1速式 |
250 |
4 |
88 |
101 |
56 |
60.5 |
17.5 |
| SSCF-40DD3 |
40cm |
1速式 |
3相200V |
200 |
4 |
61 |
72 |
59.5 |
64 |
11 |
| SSCF-50FF3 |
50cm |
1速式 |
400 |
6 |
109 |
126 |
54.5 |
59.5 |
20 |
| SSCF-60FF3 |
60cm |
1速式 |
400 |
6 |
110 |
135 |
62 |
65.5 |
22.5 |
| SSCF-60FG3 |
60cm |
1速式 |
750 |
6 |
150 |
180 |
63 |
65.5 |
34 |
| SSCF-75FH3 |
75cm |
1速式 |
1500 |
6 |
240 |
290 |
71.5 |
75.5 |
52 |
| SSCF-90F13 |
90cm |
1速式 |
2200 |
6 |
390 |
470 |
73 |
78.5 |
74.5 |
| SSCF-25DA1-T |
25cm |
3速式 |
単相100V |
30 |
4 |
18 |
21 |
44 |
46.5 |
6.5 |
| SSCF-30DB1-T |
30cm |
3速式 |
60 |
4 |
25 |
28 |
46 |
48.5 |
8 |
| SSCF-35DC1-T |
35cm |
3速式 |
100 |
4 |
37 |
42 |
49 |
52.5 |
10.5 |
| SSCF-40DD1-T |
40cm |
3速式 |
150 |
4 |
49 |
55 |
53.5 |
56.5 |
12 |
| SSCF-50DE1-T |
50cm |
3速式 |
250 |
4 |
88 |
101 |
56 |
60.5 |
19 |
| SSCF-50DE2-T |
50cm |
3速式 |
単相200V |
250 |
4 |
88 |
101 |
56 |
60.5 |
19 |
●有圧換気扇(本体ステンレス製)
| 品番 |
ハネ径(cm) |
外形寸法(□A×B)
(mm) |
電源(V) |
| SSCF-50FF3-SUS |
50 |
658×310 |
三相200 |
■オプション
<有圧換気扇専用風圧型シャッター>
| 品番 |
適用機種(cm)
(公称ハネ径) |
適合換気扇 |
ブレード枚数 |
| SSCFS-25 |
25 |
SSCF-25□□□/□□□-□ |
2 |
| SSCFS-30 |
30 |
SSCF-30□□□/□□□-□ |
3 |
| SSCFS-35 |
35 |
SSCF-35□□□/□□□-□ |
3 |
| SSCFS-40 |
40 |
SSCF-40□□□/□□□-□ |
3 |
| SSCFS-50 |
50 |
SSCF-50□□□/□□□-□ |
4 |
| SSCFS-60 |
60 |
SSCF-60□□□ |
5 |
| SSCFS-75 |
75 |
SSCF-75□□□ |
6 |
| SSCFS-90 |
90 |
SSCF-90□□□ |
7 |
<安全リアガード>
有圧換気扇は「高所取付用」ですが、紙片の舞い込みや器物の衝突などを防ぐために、安全リアガードを別売品として用意しています。換気扇のハネ径にあわせてご注文ください。
■取付け方法
■仕様
| 品番 |
適用機種(公称ハネ径) |
| MC16CFG-25S |
25cmタイプ |
| MC16CFG-30S |
30cmタイプ |
| MC16CFG-35S |
35cmタイプ |
| MC16CFG-40S |
40cmタイプ |
| MC16CFG-50FF3S |
50cmタイプ※1 |
| MC16CFG-50DES |
50cmタイプ※2 |
| MC16CFG-60S |
60cmタイプ |
| MC16CFG-75S |
75cmタイプ |
| MC16CFG-90S |
90cmタイプ |
※1:SSCF-50FF3専用
※2:SSCF-50DE1-T、SSCF-50DE2-T、SSCF-50DE1専用
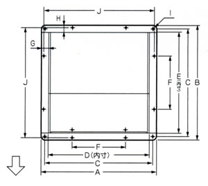
<屋外フード>
●寸法図


■仕様 (単位:mm)
| 品番 |
MC16CFF-25S |
MC16CFF-30S |
MC16CFF-35S |
MC16CFF-40S |
適用機種
(公称ハネ径) |
25cmタイプ |
30cmタイプ |
35cmタイプ |
40cmタイプ |
| A |
340 |
414 |
460 |
510 |
| B |
340 |
414 |
456 |
510 |
| C |
305 |
374 |
420 |
470 |
| D |
300 |
374 |
420 |
450 |
| E |
280 |
374 |
420 |
430 |
| F |
- |
- |
- |
- |
| G |
20 |
20 |
20 |
30 |
| H |
30 |
32 |
30 |
40 |
| I |
4×φ10 |
4×φ10 |
4×φ10 |
4×φ10 |
| J |
- |
- |
- |
- |
| K |
325.4 |
355.4 |
400.4 |
465.4 |
| L |
283.2 |
353.2 |
399.2 |
433.2 |
| M |
113.8 |
143.8 |
159.8 |
173.8 |
| N |
219.6 |
249.6 |
294.6 |
359.6 |
| P |
15.4 |
15.4 |
15.4 |
15.4 |
| Q |
272.4 |
346.4 |
392.4 |
422.4 |
| R |
15 |
15 |
15 |
15 |
| 品番 |
MC16CFF-50S |
MC16CFF-60S |
MC16CFF-75S |
MC16CFF-95S |
適用機種
(公称ハネ径) |
50cmタイプ |
60cmタイプ |
75cmタイプ |
95cmタイプ |
| A |
647 |
765 |
850 |
1005 |
| B |
647 |
765 |
850 |
1005 |
| C |
607 |
730 |
- |
- |
| D |
567 |
685 |
790 |
945 |
| E |
567 |
685 |
770 |
940 |
| F |
300 |
410 |
460 |
510 |
| G |
40 |
40 |
30 |
30 |
| H |
40 |
40 |
40 |
30 |
| I |
12×φ10 |
12×φ10 |
8×φ10 |
8×φ10 |
| J |
620 |
730 |
820 |
970 |
| K |
545.4 |
625.4 |
806.2 |
941.2 |
| L |
570.2 |
688.2 |
774.8 |
944.8 |
| M |
225.8 |
273.8 |
309.8 |
374.8 |
| N |
439.6 |
519.6 |
700.4 |
835.4 |
| P |
15.4 |
15.4 |
15.8 |
15.8 |
| Q |
539.4 |
657.4 |
763.2 |
918.2 |
| R |
15 |
15 |
15 |
15 |
|
運賃、および消費税は、記載価格には、含まれていません。
[トップページに戻る] [注文書] [見積り依頼] TEL 0729-64-8663 FAX 0729-61-4874
営業時間 AM9:00~PM7:00 営業日 月曜日~金曜日 定休日 土曜日 日曜日 祝日