|
|
| 軽量ジブ・スライドジブ/品番 M278-250シリーズ | 【詳細表示】 | |||||||||||||||||||||||||||||||||||||||||||||||||||||||||
| 商品番号 | M278-250シリーズ | 価 格 | ||||||||||||||||||||||||||||||||||||||||||||||||||||||||
![]() |
単管パイプに取付けて荷物の取込に ジブ形つりブラケットです。 荷の足場への引っ掛かりを防ぎ、上げた荷を旋回させて足場内へ取り込むことができるので、より大きな荷を安全かつ楽に扱うことができます。 |
軽量ジブ・スライドジブ 品番 M278-250シリーズ 廃番 後継機種はこちら→M278T-250Lシリーズ |
||||||||||||||||||||||||||||||||||||||||||||||||||||||||
| ■特長 ●旋回角度240度 上げた荷を旋回させて足場内へ取り込むことができるので、建築作業現場の省力化に役立ちます。 ●簡単据付 単管パイプに取付けるブラケットクレーンなので、据付が簡単です。 ■タイプ
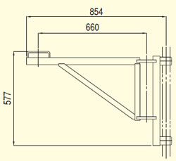
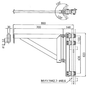
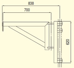
■外形寸法(単位o)
■仕様
|
||||||||||||||||||||||||||||||||||||||||||||||||||||||||||

[トップページに戻る][注文書] [見積り依頼] TEL0729-64-8663 FAX 0729-61-4874
営業時間 AM9:00〜PM7:00 営業日 月曜日〜金曜日 定休日 土曜日 日曜日 祝日