|
|
■包装資材 ■包装機械 ■物流機器 ■測定機器 ■洗剤 ■ケミカル ■蛍光灯 ■季節品-夏 ■季節品-冬 ■弱電工具 ■ホイスト ■環境機器 ■掃除機 ■ムーブテック ■切削工具 ■機械工具■調理厨房機器 ■研究室用品 ■安全防犯防災品 ■エクステリア ■新商品 ■在庫処分
| 小型省エネ1/2パルス間欠エアー源発生機品番 M2067AR-10TKN | 【詳細表示】 | |||||||||||||||||||||||||||||||||||||||||||||||||||||||||
| 商品番号 | M2067AR-10TKN | 価 格 | ||||||||||||||||||||||||||||||||||||||||||||||||||||||||
![]() |
小型省エネ1/2パルス間欠エアー源発生機 品番 M2067AR-10TKN 価格は下記をご覧ください |
|||||||||||||||||||||||||||||||||||||||||||||||||||||||||
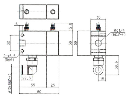
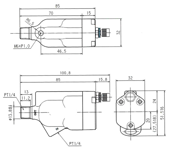
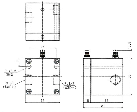
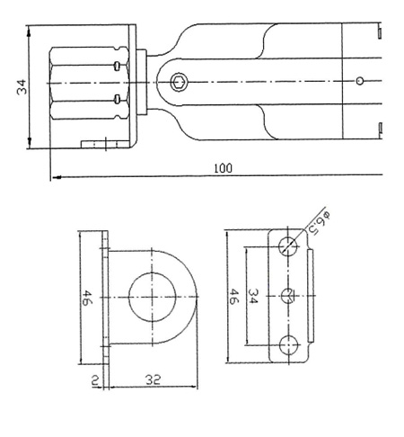
小型省エネ1/2パルス間欠エアー源発生機![]() ■特長 ●エアブローの空気消費量を1 /2に低減 バルブの解放と閉鎖時間が同じです。 従来の連続ブローと同じ作業時間であれば、空気消費量は1/2に軽滅出来ます。 ※使用方法により空気消費量1/2に低減出来ない場合又は1/2を超える場合が有ります。 ● 電源不要 供給ポート(IN) がらのエアのみで内部シリンターを作動させパルスを発生させます。 ● パルス調整が簡単 調整するのはパルス調整ニードルのみ調整バルブで周波数を変更することが出来ます ● エアブロー効果のアップ 衝撃波を発生させる事により切粉などの対象物が効率よく除去出来ます。 ■エア消費のイメージ エアブローの衝撃力はバルブ開放直後が最大、パルスブローで加工面には絶えず強いエアブロー圧が掛かります。 ![]() ■パルスブローの効果 パルスブローコントローラは機械的にON・OFFを行い衝撃波を発生させます。 衝撃波をワーク(対象物) に当てる事によって切粉や水分などを効率よく除去する事が出来ます。 ![]() ■タイプ ●ブローガン用
●固定ブロー用
■エアブローの使用状況 ![]() ■費用改修期間 ![]() ■使用用途 ![]() ■導入事例 ![]() ![]() ■仕様
|
||||||||||||||||||||||||||||||||||||||||||||||||||||||||||
運賃、および消費税は、記載価格には、含まれていません。

[トップページに戻る] [注文書] [見積り依頼] TEL 0729-64-8663 FAX 0729-61-4874
営業時間 AM9:00~PM7:00 営業日 月曜日~金曜日 定休日 土曜日 日曜日 祝日