|
|
■包装資材 ■包装機械 ■物流機器 ■測定機器 ■洗剤 ■ケミカル ■蛍光灯 ■季節品-夏 ■季節品-冬 ■弱電工具 ■ホイスト ■環境機器 ■掃除機 ■ムーブテック ■切削工具 ■機械工具■調理厨房機器 ■研究室用品 ■安全防犯防災品 ■エクステリア ■新商品 ■在庫処分
| キャスター型工場扇 ECOタイプ 品番 M2414CF-EC435CD | 【詳細表示】 | |||||||||||||||||||||||||||||||||||||||||||||||||||||||||||
| 商品番号 | M2414CF-EC435CD | 価 格 | ||||||||||||||||||||||||||||||||||||||||||||||||||||||||||
![]() |
キャスター型工場扇 ECOタイプ 品番 M2414CF-EC435CD 廃番 |
|||||||||||||||||||||||||||||||||||||||||||||||||||||||||||
| ■特長 ●消費電力を約51%低減(※メーカー従来品比較) ●電気代を節約する eco工場扇シリーズ ■風量切り替えスイッチ ![]() ■風向きの調整 下図の範囲で角度を変えられます。 モーター部分を持ち、お好みの角度に調節してください。 ![]() ■首振り運転 首振りつまみを押し上げると下図の角度で首振りを行い、つまみを引き上げると首振りが止まり餡巣。 首振りつまみを引き上げて首振り調節を行うときは、下図の角度の範囲内で行ってください。 ![]() ■タイプ
■共通仕様
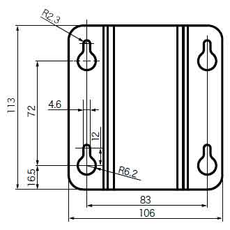
■壁掛け用壁面取付金具寸法 |
||||||||||||||||||||||||||||||||||||||||||||||||||||||||||||
運賃、および消費税は、記載価格には、含まれていません。

[トップページに戻る] [注文書] [見積り依頼] TEL 0729-64-8663 FAX 0729-61-4874
営業時間 AM9:00~PM7:00 営業日 月曜日~金曜日 定休日 土曜日 日曜日 祝日