|
|
■包装資材 ■包装機械 ■物流機器 ■測定機器 ■洗剤 ■ケミカル ■蛍光灯 ■季節品-夏 ■季節品-冬 ■弱電工具 ■ホイスト ■環境機器 ■掃除機 ■ムーブテック ■切削工具 ■機械工具■調理厨房機器 ■研究室用品 ■安全防犯防災品 ■エクステリア ■新商品 ■在庫処分
| 充電式電動吸着パッド吊具60kg/品番 M269REP-60KG | 【詳細表示】 | |||||||||||||||
| 商品番号 | M269REP-60KG | 価 格 | ||||||||||||||
![]() |
充電式電動吸着パッド吊具60kg 品番 M269REP-60KG |
|||||||||||||||
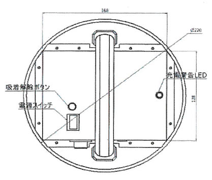
| 凹凸面にも対応可能なコードレス式真空吸着パッド ●コード不要のオールインワン方式 ●平滑面、凹凸面両方に対応可能 ●シールの改良により従来より吸着力アップ ●ボタン1つで素早く着脱可能 ●内部バッテリーは約300回の繰り返し充電可能 ![]() ■従来よりシール部分が厚く丈夫に。真空部分も増加 ![]() ■フィルターが外付けになり交換が容易 ![]() ■寸法図 ![]() ![]() ■仕様
※当製品は安全保障製品ではございません。作業効率向上のためにご使用ください。 また、ワーク形状にも吸着能力左右されます為、ご注意下さい ※クレーンにて使用する場合本体取りついているつり上げ金具をご利用下さい (写真とは異なる場合がございます。) ※つり上げ能力はAC100V通電時での最大吸着力の1/3で表示しております。 ※凹凸面追従に関しては±1.5mmを上限としてご利用ください ※吸着シール部分ご使用によって劣化する場合がございます。 その際はメーカー工場にて修理対応とさせて頂きます。 ![]() |
||||||||||||||||
運賃、および消費税は、記載価格には、含まれていません。

[トップページに戻る] [注文書] [見積り依頼] TEL 0729-64-8663 FAX 0729-61-4874
営業時間 AM9:00~PM7:00 営業日 月曜日~金曜日 定休日 土曜日 日曜日 祝日