冷凍室用送風ファン
循環扇・送風扇
業務用機材商社一筋で、創業41年。東大阪市商工会議所会員、2005年度IT百選企業。
国公立大学、研究所、自衛隊、警察庁 など主な国公立機関に納入実績多数。医療機器販売業免許取得済
■包装資材 ■包装機械 ■物流機器 ■測定機器 ■洗剤 ■ケミカル ■蛍光灯 ■季節品-夏 ■季節品-冬 ■弱電工具 ■ホイスト ■環境機器 ■掃除機 ■ムーブテック ■切削工具 ■機械工具■調理厨房機器 ■研究室用品 ■安全防犯防災品 ■エクステリア ■新商品 ■在庫処分
冷房商品カテゴリー一覧を見る
| 冷凍室用送風ファン 品番 M3177AF-3009TA-RGM |
【詳細表示】 |
| 商品番号 |
M3177AF-3009TA-RGM |
価 格 |
 |
冷凍室用送風ファン
品番 M3177AF-3009TA-RGM
|
■特長
●主要部品を金属製とすることで低温環境に適応。
●冷凍冷蔵倉庫内の 温度ムラ改善、省エネ実現。
●冷凍冷蔵倉庫で使用可能な「冷凍室タイプ」が倉庫内の温度ムラを改善し、省エネを実現します。
■設置の目安
※角度をつけて吹き出し、床面を沿わせることにより到達距離が延びる場合があります。
※障壁や梁、柱などの設置条件により、風速分布が異なる場合があります。
※建物条件により設置間隔を調整する必要があります。
※図中の風速分布は室内温度差、外風、空調機などによる外乱がない自由空間における測定値です。

■風速分布
| 自由空間へ吹き出す場合 |
床面へ吹き出す場合(22.5°) |
 |
 |
■用途
●低温(仕様周囲温度-30℃)環境下の冷気サーキュレーション用途に。
■ご注意
●使用条件:本体周囲は温度-30℃~+20℃、相対湿度90%以下。この範囲を超えますと焼損、変形、回転不良、破損につながる恐れがあります。
●腐食性物質・塩害が発生する場所、油煙や塵埃の多く発生する場所でのご使用は避けてください。
●庫内の扉拭きにゃ冷却装置の吹き出し口付近などには裾付けないでください。羽やガードに霜や氷が付着すると送付性能の低下、回転不良、変形、破損につながるおそれがありますので、霜取りを実施してください。
●スプリンクラーの横方向30cm以内に設置しないでください。
●火災報知器がある場合は、吹き出し口が感知部から1.5m以上離れるように据付けてください。
● に記載の据付け姿勢以外では使用しないでください。
●1日50回以上の頻繁な起動・停止を伴う使用は避けてください。
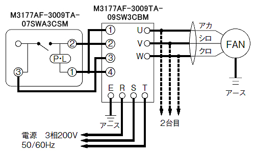
■結線図

■仕様
| 品番 |
M3177AF-3009TA-RGM |
| 電源 |
3相200V |
| 消費電力 |
50Hz |
118W |
| 60Hz |
154W |
| 電流 |
50Hz |
0.45A |
| 60Hz |
0.52A |
| 平均吹出風速 |
50Hz |
7.7m/s |
| 60Hz |
7.9m/s |
| 風量 |
50Hz |
1970m3/h |
| 60Hz |
2020m3/h |
| 騒音 |
50Hz |
56dB |
| 60Hz |
59dB |
| 起動電流 |
50Hz |
1.68A |
| 60Hz |
1.67A |
| 質量 |
23.3kg |
| サイズ |
 |
※本体スイッチは付属されておりません。
※風量は、 オリフィスチャンバー法による静圧OPa時の値です。
※騒音は本体吹出口側中心位置より斜め45°、1.5mの点における値です。
■オプション
●M3177AF-3009TA-07SWA3CSMを3相で使用する場合には、コントロールボックス(M3177AF-3009TA-09SW3CBM)と組み合わせてご使用ください。
| 品番 |
M3177AF-3009TA-07SWA3CSM※1 |
| 品名 |
冷凍室用送風ファン用コントロールスイッチ |
| 画像 |
 |
| 定格電流 |
15A |
| 寸法 |
 |
| 備考 |
運転表示ランプ付き、金属製パネル |
※1:取付ボックスは、JIS C 8340の1個用スイッチボックス(市販品・金属製)をご使用ください。
| 品番 |
M3177AF-3009TA-09SW3CBM※2 |
| 品名 |
3相用コントロールボックス |
| 画像 |
 |
| 最大許容電流 |
定格電流 |
10A |
| 起動電流 |
30A |
| 使用条件 |
本体周囲温度:-10~40℃
常温において相対湿度85%以下 |
| 寸法 |
 |
| 質量 |
1.4kg |
※2:インバータとの組み合わせはできません。
|
運賃、および消費税は、記載価格には、含まれていません。
[トップページに戻る] [注文書] [見積り依頼] TEL 0729-64-8663 FAX 0729-61-4874
営業時間 AM9:00~PM7:00 営業日 月曜日~金曜日 定休日 土曜日 日曜日 祝日