チェーン式エアーホイスト(250kg)

ホイスト

業務機器&資材 シロ産業 HOME
新製品情報 在庫処分情報 会社概要
見積依頼 ご注文フォーム お問い合わせ
業務用機材商社一筋で、創業41年。東大阪市商工会議所会員、2005年度IT百選企業。
国公立大学、研究所、自衛隊、警察庁 など主な国公立機関に納入実績多数。医療機器販売業免許取得済

包装資材 包装機械 物流機器 測定機器 洗剤 ケミカル 蛍光灯 季節品-夏 季節品-冬 弱電工具 ホイスト 環境機器 掃除機 ムーブテック 切削工具 機械工具調理厨房機器 研究室用品 安全防犯防災品 エクステリア 新商品 在庫処分


カテゴリー第二分類(ホイスト)
ホイストカテゴリー一覧を見る

関連商品一覧

チェーン式エアーホイスト(250kg)/ 品番 M358AH-CS025TSE 【詳細表示】
商品番号 M358AH-CS025TSE 価 格
チェーン式エアーホイスト(250kg)
品番 M358AH-CS025TSE
価格は下記をご覧ください
■M358AH-CS******シリーズ
容量250kg~950kg。
シングルチェーンタイプ。
合金鋼の表面硬化ロードチェーンを採用しており、強靱性・耐摩耗性に優れています。
ロードチェーン延長可。
昇降コントロールは引ヒモが標準品になります。
ボタン式でコントロールする場合、ペンダントスイッチの購入が必要になります。




■M358AH-CW190W
容量1900kg。
ダブルチェーンタイプ。
合金鋼の表面硬化ロードチェーンを採用しており、強靱性・耐摩耗性に優れています。 ロードチェーン延長可。
昇降コントロールは引ヒモが標準品になります。
ボタン式でコントロールする場合、ペンダントスイッチの購入が必要になります。


■タイプ
M358AH-CS025TSE M358AH-CS095SE
M358AH-CW190W

M358AH-CS025TSE
M358AH-CS095SE
 M358AH-CW190W
 


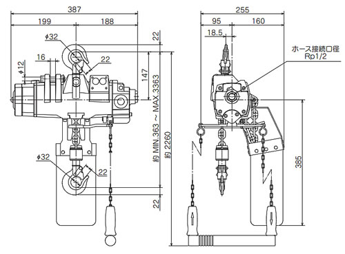
■仕様
 品番  M358AH-CS025TSE  M358AH-CS049TSE  M358AH-CS095SE  M358AH-CW190W
 定格荷重  250  490  950  1900
 揚程  3  3  3  3
 給気圧力  0.4(4)  0.4(4)  0.4(4)  0.4(4)
 0.5(5)  0.5(5)  0.5(5)  0.5(5)
 0.6(6)  0.6(6)  0.6(6)  0.6(6)
 巻取速度  12.0  7.5  4.0  2.0
 16.0  9.0  5.2  2.6
 18.0  10.5  6.0  3.0
 空気消費量  0.9  0.95  1.0  1.0
 1.3  1.3  1.4  1.4
 1.6  1.65  1.8  1.8
  チェーン
線径×掛数
 6.3×1  6.3×1 7.1×1   7.1×2
 接続口径  Rp 1/2  Rp 1/2  Rp 1/2  Rp 1/2
 質量(kg)  20.0  22.0  35.0  43.0


■プレントロリ
吊元に取り付けることで、手動でのスムーズな横移動を可能にします。


 品番  M358AH-PT060KGE  M358AH-PT125KGE  M358AH-PT250KGE
 容量(kg)  60  125  250
 最小回転半径(mm)  -  600  900
 ビーム幅(mm)  75  50  75
 -  75  100
 -  -  125
 質量(kg)  0.8  1.6  4.2

運賃、および消費税は、記載価格には、含まれていません。

[トップページに戻る] [注文書] [見積り依頼] TEL 0729-64-8663 FAX 0729-61-4874

営業時間 AM9:00~PM7:00 営業日 月曜日~金曜日 定休日 土曜日 日曜日 祝日