ケースサイズ自動調整型大箱用カートンシーラー(テープ幅50~75mm)

カートンシーラー

業務機器&資材 シロ産業 HOME
新製品情報 在庫処分情報 会社概要
見積依頼 ご注文フォーム お問い合わせ
業務用機材商社一筋で、創業41年。東大阪市商工会議所会員、2005年度IT百選企業。
国公立大学、研究所、自衛隊、警察庁 など主な国公立機関に納入実績多数。医療機器販売業免許取得済

包装資材 包装機械 物流機器 測定機器 洗剤 ケミカル 蛍光灯 季節品-夏 季節品-冬 弱電工具 ホイスト 環境機器 掃除機 ムーブテック 切削工具 機械工具調理厨房機器 研究室用品 安全防犯防災品 エクステリア 新商品 在庫処分


カテゴリー第二分類(包装機械)
包装機械カテゴリー一覧を見る

関連商品一覧

ケースサイズ自動調整型大箱用カートンシーラー(テープ幅50~75mm)/品番 MB11R-58KS 【詳細表示】
商品番号 MB11R-58KS 価 格


※画像はオプションの入口部ローラーコンベヤ付き
ケースサイズ自動調整型大箱用カートンシーラー(テープ幅50~75mm)
品番 MB11R-58KS
■特長
●ケースのサイズ調整を自動で行います。
●幅広の上下ベルトでケースをしっかり搬送。重量物や背の高いケースも確実にシーリング出来ます。
●重さ20kgでもらくらく搬送・背の高いケース
●欧州機械指令「2006/42/EC」に適応した設計です。非常停止ボタン・上ベルト駆動部にカバーを標準装備し安全性を向上しました。


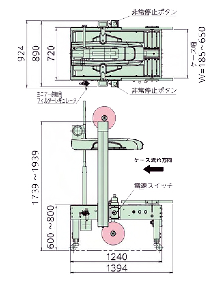
■各部名称

※逆仕様への変更も可能です。
※入口部ローラーコンベヤはオプションです。


■仕様
品番 MB11R-58KS
消費電力 3相200V 50/60Hz
0.49kw
エアー消費量 0.6MPa(6kgf/cm2
140L/min
能力 最大10ケース/分
(最大600ケース/時)
対応ケースサイズ 長さ:150~1,000mm
幅:185~650mm
高さ:150~750mm
テープ幅 50~75mm
外形寸法
(L×W×H)
1394×924×173~1939mm
(フレーム長さ1240mm)
ライン高さ 600~800mm
自重 約195kg



■寸法図

運賃、および消費税は、記載価格には、含まれていません。

[トップページに戻る] [注文書] [見積り依頼] TEL 0729-64-8663 FAX 0729-61-4874

営業時間 AM9:00~PM7:00 営業日 月曜日~金曜日 定休日 土曜日 日曜日 祝日