|
|
■包装資材 ■包装機械 ■物流機器 ■測定機器 ■洗剤 ■ケミカル ■蛍光灯 ■季節品-夏 ■季節品-冬 ■弱電工具 ■ホイスト ■環境機器 ■掃除機 ■ムーブテック ■切削工具 ■機械工具■調理厨房機器 ■研究室用品 ■安全防犯防災品 ■エクステリア ■新商品 ■在庫処分
| 屋外WIFI防犯ドームカメラ500万画素内蔵SDカードレコーダー/品番 M1544GKT-500K | 【詳細表示】 | |||||||||||||||||||||||||||||||||||||||||||||||||||||||||||||||||||||||||||||
| 商品番号 | M1544GKT-500K | 価 格 | ||||||||||||||||||||||||||||||||||||||||||||||||||||||||||||||||||||||||||||
![]() |
屋外WIFI防犯ドームカメラ500万画素内蔵SDカードレコーダー 品番 M1544GKT-500K |
|||||||||||||||||||||||||||||||||||||||||||||||||||||||||||||||||||||||||||||
500万画素SDカードレコーダー内蔵![]() ■特長 ●屋外設置可能なSDカードレコーダー内蔵ドームカメラ IP66の防塵防水性能ドームカメラ(IR-LED:セキュリティ投光器搭載)に、SDカードレコーダーを内蔵しました。 最大500万画素(2592×1944)の解像度・30コマの動画を記録します。 無線LANまたは有線LANで接続したパソコンのウェブブラウザーから、簡単にライブ・再生・データダウンロードが可能です。 ●デイナイト機能 昼間はカラー、夜間はモノクロ映像に切り換わるデイナイトカメラです。 6個の赤外線LEDを照射することで、明かりのない暗闇でも撮影可能です。 ●時刻補正機能 GPSによる時刻補正機能を装備し、長期間運用でも時刻ズレが発生しません。 ●セキュリティ ステルス機能搭載・MACアドレスフィルタリング・IPアドレスフィルタリング搭載。 SDカードに録画された映像データは、AES 128bitの暗号化に対応し、保存媒体の紛失によるデータの流出を防止します。(暗号化解除ソフトが必要です。) ●AC100Vを接続するだけで本格的な監視・見守りが実現できます。 屋外設置可能なAC100V電源ケーブルはオプションでご用意できます。(5m・10m) ポールや電力柱(槍出金具)に設置する時は、オプションの専用金具をお買い求めください。 ●別売り品 屋外AC100Vケーブル(コンセント付き)/ポール・電力柱用取付金具 ![]() ![]() ■最大256GBのSDカードに録画データを保存 上書き機能により、長時間の録画に対応します。 (例:256GB・ビットレート 1500kbps⇒約2週間のデータを保存)
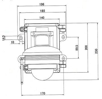
![]() ■動作状態LED 録画動作の正常・異常が目視確認可能です。 ■外形寸法図 ![]() ![]() ■推奨SDカード(別売) メーカーにて動作確認済みの推奨SDカードをご使用ください。 その他のSDカードをご使用になられる場合、正常に作動しないことがあります。 ![]() ■仕様
|
||||||||||||||||||||||||||||||||||||||||||||||||||||||||||||||||||||||||||||||
運賃、および消費税は、記載価格には、含まれていません。

[トップページに戻る] [注文書] [見積り依頼] TEL 0729-64-8663 FAX 0729-61-4874
営業時間 AM9:00~PM7:00 営業日 月曜日~金曜日 定休日 土曜日 日曜日 祝日