|
|
■包装資材 ■包装機械 ■物流機器 ■測定機器 ■洗剤 ■ケミカル ■蛍光灯 ■季節品-夏 ■季節品-冬 ■弱電工具 ■ホイスト ■環境機器 ■掃除機 ■ムーブテック ■切削工具 ■機械工具■調理厨房機器 ■研究室用品 ■安全防犯防災品 ■エクステリア ■新商品 ■在庫処分
| HEPAフィルター掃除機(溶接ヒューム対応) 品番 M271WF-211HEPA | 【詳細表示】 | |||||||||||||||||||||||||||||||||||||||||||||||||||||||||||||||||||||||||||||||||||||||||||||
| 商品番号 | M271WF-211HEPA | 価 格 | ||||||||||||||||||||||||||||||||||||||||||||||||||||||||||||||||||||||||||||||||||||||||||||
![]() |
HEPAフィルター掃除機(溶接ヒューム対応) 品番 M271WF-211HEPA |
|||||||||||||||||||||||||||||||||||||||||||||||||||||||||||||||||||||||||||||||||||||||||||||
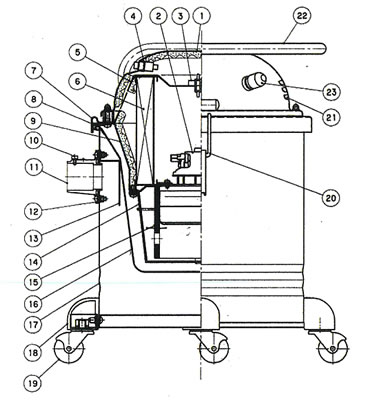
| 丈夫なスチール缶で錆に強い塗装仕上げです。 HEPAフィルタ内蔵0.3μmの微粉塵も捕集。 工場内のグレーチング・小さな障害物にも移動が楽々。 ![]() ■特徴 ●フィルタメーカーと共同開発の、高性能HEPAフィルタ余裕の濾材面積で0.3μmの微粉塵(溶接ヒューム)も確実に捕集します。 また、目詰まりにも強く長時間運転が可能です。 ●HEPAフィルタとは・・・ 花粉やほこり、ウイルスなど、空気中のごく小さな粒子(0.3μm 99.97%)を捕集することのできる高性能エアフィルタのことです。 ■大容量HEPAフィルタ ![]() ※2021年4月に施行・適用された労働安全衛生法施工令、特定化学物質障害予防規則等の改正により、金属アーク溶接作業などから発生する「溶接ヒューム」が、特定化学物質(第2類物質)に認定されています。 溶接加工を行う現場では、溶接ヒュームの清掃対策が必要となります。 HEPAフィルタ内蔵の掃除機(クリーナ)です。 溶接加工後の清掃に最適な商品となります。 ・溶接加工後の清掃に ・溶接ロボット周辺の清掃に ■各部名称
■仕様
|
||||||||||||||||||||||||||||||||||||||||||||||||||||||||||||||||||||||||||||||||||||||||||||||
運賃、および消費税は、記載価格には、含まれていません。

[トップページに戻る] [注文書] [見積り依頼] TEL 0729-64-8663 FAX 0729-61-4874
営業時間 AM9:00~PM7:00 営業日 月曜日~金曜日 定休日 土曜日 日曜日 祝日