90度反転ロール紙管メカチャッキング吊具50kg

吊り具

業務機器&資材 シロ産業 HOME
新製品情報 在庫処分情報 会社概要
見積依頼 ご注文フォーム お問い合わせ
業務用機材商社一筋で、創業41年。東大阪市商工会議所会員、2005年度IT百選企業。
国公立大学、研究所、自衛隊、警察庁 など主な国公立機関に納入実績多数。医療機器販売業免許取得済

包装資材 包装機械 物流機器 測定機器 洗剤 ケミカル 蛍光灯 季節品-夏 季節品-冬 弱電工具 ホイスト 環境機器 掃除機 ムーブテック 切削工具 機械工具調理厨房機器 研究室用品 安全防犯防災品 エクステリア 新商品 在庫処分


カテゴリー第二分類(ホイスト)
ホイストカテゴリー一覧を見る

関連商品一覧

90度反転ロール紙管メカチャッキング吊具50kg/品番 M2752HRT-50KG 【詳細表示】
商品番号 M2752HRT-50KG 価 格
90度反転ロール紙管メカチャッキング吊具50kg
品番 M2752HRT-50KG
■特長
●エアを使わないメカチャック機構

●ロールをクレーンで吊って90度反転させます
電動ホイスト・ジブクレーンと組み合わせて、ロール製品の紙管に軸を挿入してメカチャック機構により持ち上げ、90度反転させることができます。

●メカバランス機構による手動反転
昇降は電動、旋回及び移動は手動です。

●スリッターで巻き上がった製品を機械から取り出し、内包装後、たて積み段ボールに入れる作業に最適です。


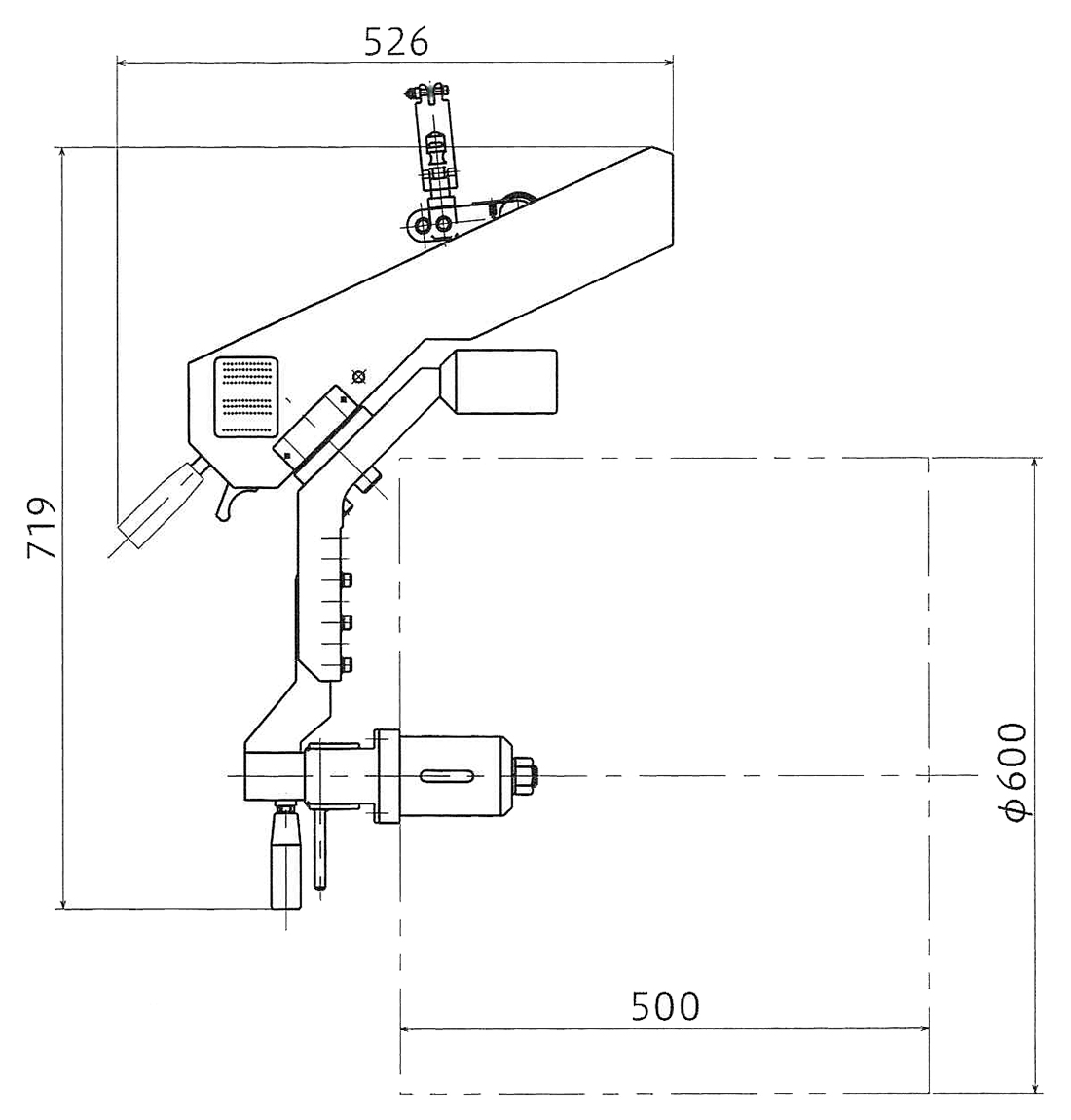
■寸法図


■仕様
品番 M2752HRT-50KG
対応
ロールサイズ
Max φ600mm
Max 500mm
重量 Max50kg
紙管 3インチ



■操作方法
①クランプ解放レバーを引きながら、チャックを紙管の奥まで入れます。


②吊具を回転しやすい高さまで上昇させ、ロールを降ろす位置まで移動させます。


③回転させる際は左手は操作ハンドル、右手は旋回ハンドルをしっかり握り、旋回トリガーを引いて固定ピンを外し、ロールを反転させてください。


④ロールを降下させて、吊具についている▲マークが一番下の▲マークの位置(荷重解放位置)に来たところで降下を停止します。
この際、▲マークの手前で止めるとまだロールが吊り上げられた状態であり、チャックが重くて抜けません。
逆に▲マーク位置よりもさらに降下させると、吊り具の荷重がチャックにかかって抜きにくくなりますので、▲マークの位置か、ほんの少しだけ過ぎた位置まで降下させてください。


⑤クランプ解放レバーを引きながら、吊具を上昇させてチャックを紙管から抜き取ります。


※ 昇降・移動させる場合は、左手をペンダントスイッチ、右手は補助ハンドルを握って行います。
※ペンダントスイッチは軽く押すとゆっくり、強く押すと早く昇降します。

運賃、および消費税は、記載価格には、含まれていません。

[トップページに戻る] [注文書] [見積り依頼] TEL 0729-64-8663 FAX 0729-61-4874

営業時間 AM9:00~PM7:00 営業日 月曜日~金曜日 定休日 土曜日 日曜日 祝日