永電磁充電式リフティングマグネット1500kg(リモコンオートモード着脱機能付)

マグネットリフト

業務機器&資材 シロ産業 HOME
新製品情報 在庫処分情報 会社概要
見積依頼 ご注文フォーム お問い合わせ
業務用機材商社一筋で、創業41年。東大阪市商工会議所会員、2005年度IT百選企業。
国公立大学、研究所、自衛隊、警察庁 など主な国公立機関に納入実績多数。医療機器販売業免許取得済

包装資材 包装機械 物流機器 測定機器 洗剤 ケミカル 蛍光灯 季節品-夏 季節品-冬 弱電工具 ホイスト 環境機器 掃除機 ムーブテック 切削工具 機械工具調理厨房機器 研究室用品 安全防犯防災品 エクステリア 新商品 在庫処分


カテゴリー第二分類(ホイスト)
ホイストカテゴリー一覧を見る

関連商品一覧

永電磁充電式リフティングマグネット1500kg(リモコンオートモード着脱機能付)/ 品番 M3997EM-1500KG 【詳細表示】
商品番号 M3997EM-1500KG 価 格
永電磁充電式リフティングマグネット1500kg(リモコンオートモード着脱機能付)/M3997EM-1500KG 永電磁充電式リフティングマグネット1500kg(リモコンオートモード着脱機能付)
品番 M3997EM-1500KG
・永電磁石を使用し、励磁後に電源供給に影響を受けません。
・搬送中に電源を必要としませんので電源が遮断されても把持しているワークは落下しません。
・M3997EM-1500KG以上機種についてはリモコンによる遠隔操作が可能です。
・自動モードによるワークの吸着/脱着、板厚6ミリ鋼板1枚取りが可能。
永電磁充電式リフティングマグネット1500kg(リモコンオートモード着脱機能付)/M3997EM-1500KG


■特長
●オートモード起動による自動励磁消磁機能、マグネットが搬送ワークに着地しシャックルが昇降すると自動励磁、搬送後にシャックルが降下すると自動消磁
●可搬力は安全係数 3:1考慮下
●フェイルセーフ – 励磁後は電力消費無
●800 搬送サイクル可能 / フル充電時間 2時間 電圧 110V / 230V
●磁力可変機能、1枚取り最小板厚 6mm
●マグネット本体又はワイヤレスリモコン操作

■仕様
品番 M3997EM-1500KG
最大吸着力 1,2 1500kg
可搬能力/安全係数3:1下 500kg
1枚取り 可変レベル Level 1: 6mm
Level 2: 8mm
Level 3: 10mm
充電電圧 110V/230V
フル充電時間 2時間
1フル充電
可能搬送サイクル
800
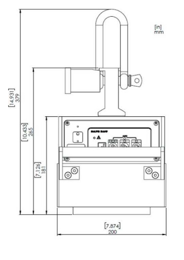
重量 25kg
吊仕様 シングルホイストリング
磁力部寸法 (L x W) 145 x 127mm
製品寸法 (L x W x H) 178 x 160 x 140mm
重要:仕様書記載の吸着力、可搬能力はASME規格(米国機械学会) 規格番号B30.20に準じているデータです。 マグスイッチは本製品を使用する前に使用者はこの規格を理解することを勧めます。
1. 試験ラボ環境下、本製品の最大吸着力は最善のポールシュー(磁極片)装着、鋼板SS400製、表面粗度1.6μに対して試験を行った結果に 基づきます。各々の用途において、多くの要因により実際の最大吸着力は変わります。マグスイッチ技術部へ相談、または実用前に吸着テストを実施 してください。
2. 吸着力、可搬能力は標準仕様のポールシュー(磁極片)装着させた結果に基づきます。
3. テスト鋼材は200mm角寸法に対してのものです。
4. 最大吸着力は安全な可搬力を示すものではありません。機種選定において設計者は安全係数を考慮しなければなりません。マグスイッチ はほとんどの用途において3:1安全係数を推奨しています。
安全搬送荷重=最大吸着力÷3以上での安全係数
SWL (Safe Working Load) =Maximum Force4/Safety Factor (>3)

■仕様/板厚別可搬能力
M3997EM-1500KG エアギャップ <0.1mm エアギャップ 0.1~0.3mm エアギャップ 0.3~0.5mm
板厚 mm 最大可搬能力 kg 最大可搬能力 kg 最大可搬能力 kg
4 55 50 50
6 105 100 90
10 235 225 205
16 375 360 330
20 415 395 360
25 445 425 380
40 500 470 415

■寸法図

運賃、および消費税は、記載価格には、含まれていません。

[トップページに戻る] [注文書] [見積り依頼] TEL 0729-64-8663 FAX 0729-61-4874

営業時間 AM9:00~PM7:00 営業日 月曜日~金曜日 定休日 土曜日 日曜日 祝日