|
|
■包装資材 ■包装機械 ■物流機器 ■測定機器 ■洗剤 ■ケミカル ■蛍光灯 ■季節品-夏 ■季節品-冬 ■弱電工具 ■ホイスト ■環境機器 ■掃除機 ■ムーブテック ■切削工具 ■機械工具■調理厨房機器 ■研究室用品 ■安全防犯防災品 ■エクステリア ■新商品 ■在庫処分
| 段ボール箱クランプ吊具(50kg)/ 品番 M4021TG-587H | 【詳細表示】 | |||||||||||||
| 商品番号 | M4021TG-587H | 価 格 | ||||||||||||
![]() |
段ボール箱クランプ吊具(50kg) 品番 M4021TG-587H |
|||||||||||||
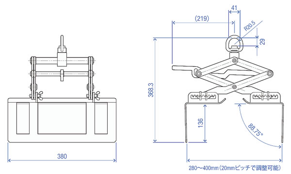
| ダンボール箱のクランプ用アタッチメント アタッチメントの動力は不要です。 最大吊上荷重:50kg 軽量クレーン、またはエアーバランサー等の運搬機でご利用下さい。 ※ジブクレーン・走行用トロリー・チェンブロックは含まれません。 ![]() ■箱の幅に合わせて20mmピッチで調整可能 ![]() ■グリップしたら滑らない。ノンスリップ加工 ![]() ■使用例 ![]()
※サンプルワークをご送付の上、クランプ吊上げテストを承ります。 ■寸法図 ![]() |
||||||||||||||
運賃、および消費税は、記載価格には、含まれていません。

[トップページに戻る] [注文書] [見積り依頼] TEL 0729-64-8663 FAX 0729-61-4874
営業時間 AM9:00~PM7:00 営業日 月曜日~金曜日 定休日 土曜日 日曜日 祝日