|
|
■包装資材 ■包装機械 ■物流機器 ■測定機器 ■洗剤 ■ケミカル ■蛍光灯 ■季節品-夏 ■季節品-冬 ■弱電工具 ■ホイスト ■環境機器 ■掃除機 ■ムーブテック ■切削工具 ■機械工具■調理厨房機器 ■研究室用品 ■安全防犯防災品 ■エクステリア ■新商品 ■在庫処分
| プレート吊り天秤(5T×600)/品番 M4092PT-5T-600N | 【詳細表示】 | |||||||||||||||||||||||
| 商品番号 | M4092PT-5T-600N | 価 格 | ||||||||||||||||||||||
![]() |
プレート吊り天秤(5T×600) 品番 M4092PT-5T-600N 価格は下記をご覧ください |
|||||||||||||||||||||||
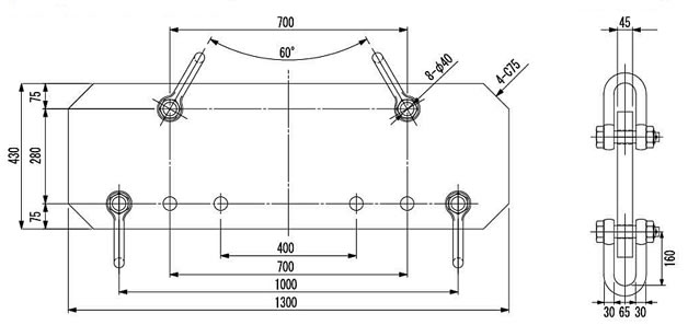
| スタンダード吊り天秤 シンプル設計 天秤下吊り角度60度以内 ![]() ■寸法図
■プレートタイプ 吊り方 ![]() ![]() ■仕様
|
||||||||||||||||||||||||
運賃、および消費税は、記載価格には、含まれていません。

[トップページに戻る] [注文書] [見積り依頼] TEL 0729-64-8663 FAX 0729-61-4874
営業時間 AM9:00~PM7:00 営業日 月曜日~金曜日 定休日 土曜日 日曜日 祝日