|
|
■包装資材 ■包装機械 ■物流機器 ■測定機器 ■洗剤 ■ケミカル ■蛍光灯 ■季節品-夏 ■季節品-冬 ■弱電工具 ■ホイスト ■環境機器 ■掃除機 ■ムーブテック ■切削工具 ■機械工具■調理厨房機器 ■研究室用品 ■安全防犯防災品 ■エクステリア ■新商品 ■在庫処分
| 一体型反転吊り具1000KG/品番 M2687AT-1000KG | 【詳細表示】 | |||||||||||
| 商品番号 | M2687AT-1000KG | 価 格 | ||||||||||
![]() |
一体型反転吊り具1000KG 品番 M2687AT-1000KG |
|||||||||||
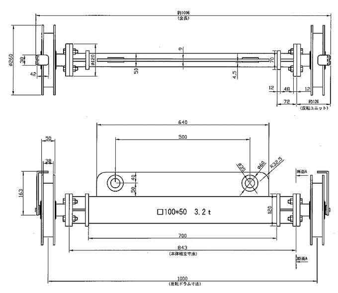
| 「反転作業のために、電源の確保や長いケーブルの取り回しが面倒…」 「電源のない場所でも、手軽に反転作業を行いたい…」 そんな現場の声に応えるのが、この電力不要の一体型反転機です。 クレーンに吊り下げ、鋼材や木材を滑らかに少ない負荷で反転することが可能です。 ![]() ■特長 ●電力不要 クレーンさえあれば、屋内・屋外を問わず、どんな場所でもすぐに使用可能です。 ●負荷の少ない反転構造 柔軟なエンドレススリングが、製品を優しく、ホールド。素材を傷つける心配がありません。 ●多様な素材に対応 1組で使用可能です。鋼材・木材・石材などの長尺物も、反転が可能です。 ■寸法図 ![]() ![]() ■仕様
|
||||||||||||
運賃、および消費税は、記載価格には、含まれていません。

[トップページに戻る] [注文書] [見積り依頼] TEL 0729-64-8663 FAX 0729-61-4874
営業時間 AM9:00~PM7:00 営業日 月曜日~金曜日 定休日 土曜日 日曜日 祝日