壁掛工場扇

工場扇

業務機器&資材 シロ産業 HOME
新製品情報 在庫処分情報 会社概要
見積依頼 ご注文フォーム お問い合わせ
業務用機材商社一筋で、創業41年。東大阪市商工会議所会員、2005年度IT百選企業。
国公立大学、研究所、自衛隊、警察庁 など主な国公立機関に納入実績多数。医療機器販売業免許取得済

包装資材 包装機械 物流機器 測定機器 洗剤 ケミカル 蛍光灯 季節品-夏 季節品-冬 弱電工具 ホイスト 環境機器 掃除機 ムーブテック 切削工具 機械工具調理厨房機器 研究室用品 安全防犯防災品 エクステリア 新商品 在庫処分


カテゴリー第二分類(季節商品-夏)
冷房商品カテゴリー一覧を見る

関連商品一覧

壁掛工場扇/品番 M281-56ZV1V 【詳細表示】
商品番号 M281-56ZV1V 価 格
壁掛工場扇/M281-56ZV1V スペースを無駄にしない壁掛タイプ

全閉型…モーターコイルが密閉されており、内部にホコリが侵入しにくく保守性・信頼性の高いモーター
壁掛工場扇
品番 M281-56ZV1V
廃番
■タイプ
M281-56ZV1V(単相100V) M281-56ZV2V(単相200V)
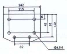
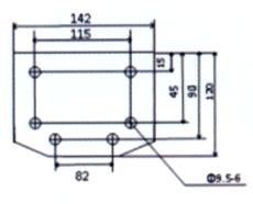
●取付寸法
●取付寸法

■仕様
品番 M281-56ZV1V M281-56ZV2V
品名 壁掛工場扇(100V) 壁掛工場扇(200V)
電源 単相100V 単相200V
周波数(Hz) 50/60 50/60
消費電力(W) 90/145 119/128
風速(m/min) 372/405 348/387
風量(m3/min) 187/203 174/194

運賃、および消費税は、記載価格には、含まれていません。

[トップページに戻る] [注文書] [見積り依頼] TEL 0729-64-8663 FAX 0729-61-4874

営業時間 AM9:00~PM7:00 営業日 月曜日~金曜日 定休日 土曜日 日曜日 祝日