|
|
| 壁掛型工場扇/品番 M281V-561J | 【詳細表示】 | |||||||||||||||||||
| 商品番号 | M281V-561J | 価 格 | ||||||||||||||||||
![]() |
スペースを無駄にしない壁掛タイプ 開放型…モーターコイルの通気性が良く、放熱効果が高い。 一般的なモーター |
壁掛型工場扇 品番 M281V-561J |
||||||||||||||||||
■仕様
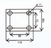
■取付寸法 ![]() |
||||||||||||||||||||

[トップページに戻る][注文書] [見積り依頼] TEL0729-64-8663 FAX 0729-61-4874
営業時間 AM9:00~PM7:00 営業日 月曜日~金曜日 定休日 土曜日 日曜日 祝日