シロ産業ホームページへ

1976年創業 東大阪市商工会議所会員 2005年度IT百選企業。国公立大学、研究所 自衛隊、警察庁 など主な国公立機関に納入実績多数 医療機器販売業免許取得済み
包装資材 包装機械 物流機器 測定機器 洗剤/ケミカル 蛍光灯 季節商品(夏) 季節商品(冬) 弱電工具 ホイスト 環境機器 掃除機 ムーブテック 切削工具 機械工具 調理厨房機器 研究室用品 安全防犯防災用品 エクステリア 新商品情報 在庫処分情報

関連商品一覧

マグネットリフト/品番 M75RL-70KG 【詳細表示】
商品番号 M75RL-70KG 価 格
マグネットリフト/M75RL-70KG 小形、軽量だから取り扱いも容易。
12種類のバリエーションからお選びください。

●スイッチレバーのみの簡単操作で、つり荷の吸着、取り外しもラクラク。
●停電による危険がない、永久磁石式。
●独自のマグネット構造(特許第3396466号)採用。
●つり荷の形状(平鋼・丸鋼)や重量に合わせて選べる12種類のバリエーション
マグネットリフト
品番 M75RL-70KG
廃番
■4つの磁極が確実につり荷を吸着。
一般的なリフティングマグネットの磁極数は2つですが、マグネットリフトの磁極数は4つとなっています。
このため、磁力の束が4つ発生し効率よく確実につり荷を吸着します。
また、平鋼/丸鋼兼用タイプでは底面V字溝の開き角度を広げて、丸鋼曲面へ磁力が効率よく流れる形状となっています。


■用途に合わせて12種類のバリエーションからお選びください。





■ご使用に際して
使用条件について理解された上でご使用ください。
●吸着力
つり荷条件である、材質、板厚、直径、表面粗さ、塗装・メッキ、つり荷つり上げ面とマグネットリフト吸着面の隙間によって、有効な吸着力は違ってきます。
下記図①~⑥をご参照ください。
※吸着したつり荷に一時的に磁気が残り、重量の軽いつり荷では開放しにくい場合があります。
●最大使用荷重
最も条件が整った状態で得られる吸着力を「最大つり上げ能力」と称し、「最大つり上げ能力」の1/3を使用時の目安として「最大使用荷重」と称します。
●使用温度
つり荷、周囲ともに-20℃~+50℃の範囲で使用してください。
●湿度
85%RH以下、結露のないこと。
●密閉性
マグネットリフトは防水構造ではありませんので、水の侵入する屋外では使用できません。
●つり上げ対象物
鋼板、形鋼および丸鋼、それらの加工品。
※アルミ、ステンレス、真鍮などの非磁気性体(磁石に吸着しない金属材料。例:SUS304)は吸着できません。
  また、板厚15mm以上のつり荷をご使用ください。




■使用機種の選定
つり荷の重量に、つり荷条件および使用条件から得られる補正係数を乗じて、安全につり上げるために必要な最大使用荷重を有するマグネットリフトを選定してください。
●選定条件
①つり荷の重量
②つり荷の条件
つり荷条件を上記図1~6にあてはめ、有効吸着力を読み取り、この有効吸着力から補正係数を求めます。
例えば有効吸着力が80%の場合、補正係数は1/0.8となります。
③使用条件
荷のバランス、揺れなどを考慮し補正係数を決定します。
一般的な使用条件では最低1.1としてください。
インチングや荷のバウンドが発生する場合は余裕を持った補正係数を設定してください。

●選定例
つり荷条件が平鋼100kg、材質S45C熱処理、板厚30mm、表面仕上げ▽、塗装および隙間無しで、使用条件が一般的である場合
つり荷
重量
つり荷
条件
【図1】
材質
【図2】
板厚
【図3】
丸鋼直径
【図4】
表面仕上げ
【図5】
塗装・メッキ
【図6】
隙間
使用条件
S45C 熱処理 30mm - なし なし 一般
100kg 補正係数 1/0.8 1/1 - 1/0.95 - - 1.1
○必要な最大使用荷重=100×1/0.8×1/0.95×1.1=144.7kg よって、M75RL-150KG以上を選定します。

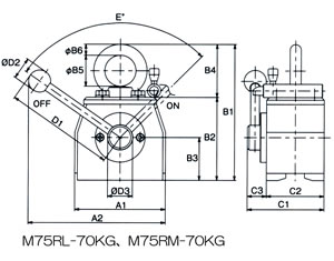
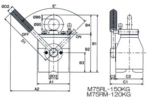
■寸法図
品番 寸法(mm)
A1 A2 B1 B2 B3 B4 B5 B6 C1 C2 C3 D1 D2 D3 E
M75RL-70KG 102 155 154 94 48.5 60 35 12.5 86.5 65 21.5 123.5 25 28 100
M75RL-150KG 102 185 179 119 61 60 35 12.5 102 85 17 182 20 28 90
M75RL-300KG 154 257 179 119 61 60 35 12.5 127.5 95 32.5 180 20 60 180
M75RL-500KG 184 307 220 149 75 71 40 16 147.5 115 32.5 215 20 60 180
M75RL-800KG 242 391 265 175 88 90 50 20 158 115 43 270 22 75 180
M75RL-1000KG 263 431.5 309 199 101 110 60 25 158 115 43 300 22 75 180
M75RM-70KG 102 155 154 94 48.5 60 35 12.5 96.5 75 21.5 123.5 25 28 100
M75RM-120KG 102 185 179 119 61 60 35 12.5 102 85 17 182 20 28 90
M75RM-250KG 154 257 179 119 61 60 35 12.5 147.5 115 32.5 180 20 60 180
M75RM-450KG 184 307 220 149 75 71 40 16 167.5 135 32.5 215 20 60 180
M75RM-750KG 242 391 265 175 88 90 50 20 178 135 43 270 22 75 180
M75RM-950KG 263 431.5 309 199 101 110 60 25 178 135 43 300 22 75 180
※上記諸元の寸法は概略値です。

■仕様
●平鋼専用タイプ
平鋼のつり上げに使用します。
品番 最大使用荷重※1 質量
M75RL-70KG 70kg 4.2kg
M75RL-150KG 150kg 7kg
M75RL-300KG 300kg 14kg
M75RL-500KG 500kg 21kg
M75RL-800KG 800kg 35kg
M75RL-1000KG 1000kg 44kg
※1:最大使用荷重については上記をご参照ください。
※上記諸元の質量は概略値です。




●平鋼/丸鋼兼用タイプ(機種によって異なります。詳細は上記図3をご覧ください)
底面V字溝の開き角度を広げ、平鋼のみでなく丸鋼もつり上げられます。
丸鋼の対応直径範囲は、φ80mm~φ600mmです。(とはφ80~φ300mm)
品番 最大使用荷重※1 質量
M75RM-70KG 70kg 4.2kg
M75RM-120KG 150kg 7kg
M75RM-250KG 300kg 14kg
M75RM-450KG 500kg 21kg
M75RM-750KG 800kg 35kg
M75RM-950KG 1000kg 44kg
※1:最大使用荷重については上記をご参照ください。
※上記諸元の質量は概略値です。


運賃、および消費税は、記載価格には、含まれていません。

[トップページに戻る][注文書] [見積り依頼] TEL0729-64-8663 FAX 0729-61-4874
営業時間 AM9:00~PM7:00 営業日 月曜日~金曜日 定休日 土曜日 日曜日 祝日