大型強力送風ファン

循環扇・送風機

業務機器&資材 シロ産業 HOME
新製品情報 在庫処分情報 会社概要
見積依頼 ご注文フォーム お問い合わせ
業務用機材商社一筋で、創業41年。東大阪市商工会議所会員、2005年度IT百選企業。
国公立大学、研究所、自衛隊、警察庁 など主な国公立機関に納入実績多数。医療機器販売業免許取得済

包装資材 包装機械 物流機器 測定機器 洗剤 ケミカル 蛍光灯 季節品-夏 季節品-冬 弱電工具 ホイスト 環境機器 掃除機 ムーブテック 切削工具 機械工具調理厨房機器 研究室用品 安全防犯防災品 エクステリア 新商品 在庫処分


カテゴリー第二分類(季節商品-夏)
冷房商品カテゴリー一覧を見る

関連商品一覧

大型強力送風ファン/品番 MB2K-900MMF 【詳細表示】
商品番号 MB2K-900MMF 価 格
大型強力送風ファン
品番 MB2K-900MMF
価格は下記をご覧ください。
広範囲にソフトな風を届けるMB2K-90BTに細かな風量調整機能がついた省電力タイプ。
体育施設だけでなく朝礼や観劇中にも使用できます。



■特長
●ワイドな送風
ワイドな風で広いエリアをカバー

●消費電力ダウン
DCモータ採用により実現。
従来モデル比20~30%低減

●風量調整
無段階変速による制御で快適な送風が可能。
また騒音が気になる場所(競技や音楽祭、演劇中)でも低速運転による低騒音運転が可能。

●軽量化で移動ラクラク
従来モデル比16kgの軽量化を実現

●ダイレクトドライブ方式
モータ直結羽根だから、ベルトや低速機構がなくシンプルな構造。

■作業環境の多様なニーズにお応えします。
ヒューム対策 結露・サーキュレーション

MB2K-900MMFと排気ファンを活用し、溶接ヒュームを誘導することで(プッシュプル換気方式)、逆効果な排気が可能に。

室内気流による空気撹拌やサーキュレーションによる空気誘導で、換気や結露防止に高い効果を発揮
暑さ対策・外気の導入 冷却・乾燥

窓や出入口から取り入れた新鮮な空気を送風
することで、作業者の暑さ対策に有効。

高熱製品の冷却促進(均一冷却および大幅な時間短縮)に効果的。
また、紙製品や建材などの乾燥にも有効。

■風速分布
※吹出口より5m、10m、15m地点で測定した風速分布から推定。


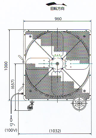
■寸法図


■仕様
品番 MB2K-900MMF MB2K-900MMF-200V
ファン径 900mm
電源 相数
電圧 100V 200V
周波数 50/60Hz
モータ仕様 種別 DCモータ
出力 0.4kW
定格電流 6.6A 3.7A
風量 990m3/min
騒音 65dB
重量 62kg
※風量は、JIS C9601に基づいています。
※騒音は、機端1.5m地点3点の平均値でフリーエアにて測定しました。

運賃、および消費税は、記載価格には、含まれていません。

[トップページに戻る] [注文書] [見積り依頼] TEL 0729-64-8663 FAX 0729-61-4874

営業時間 AM9:00~PM7:00 営業日 月曜日~金曜日 定休日 土曜日 日曜日 祝日