小型カセット式フィルター集塵機
集塵機
業務用機材商社一筋で、創業41年。東大阪市商工会議所会員、2005年度IT百選企業。
国公立大学、研究所、自衛隊、警察庁 など主な国公立機関に納入実績多数。医療機器販売業免許取得済
■包装資材
■包装機械
■物流機器
■測定機器
■洗剤 ■ケミカル
■蛍光灯
■季節品-夏
■季節品-冬
■弱電工具
■ホイスト
■環境機器
■掃除機
■ムーブテック
■切削工具
■機械工具■調理厨房機器
■研究室用品
■安全防犯防災品
■エクステリア
■新商品
■在庫処分
掃除機カテゴリー一覧を見る
| 小型カセット式フィルター集塵機/品番 MC16C-L511-1V-5 |
【詳細表示】 |
| 商品番号 |
MC16C-L511-1V-5 |
価 格 |
 |
小型カセット式フィルター集塵機
品番 MC16C-L511-1V-5
価格は下記をご覧下さい |
カセットフィルター式小型集じん機

■特長
●手動ちりおとし機能付
ちりおとしレバーを前後に動かすことでフィルターに付着したダストを落とします。

●簡単メンテナンス
カセットユニット扉を開いてフィルターステイを外せば、簡単にフィルターを着脱することができます。

●ダストチャンバー
着脱可能なダストチャンバー。ダスト処理が簡単です。

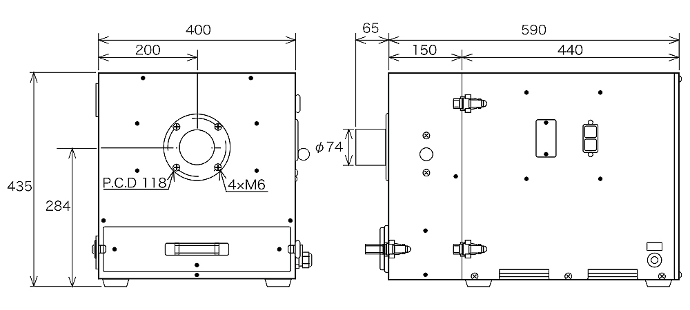
■寸法図

■仕様
| 品番 |
MC16C-L511-1V-5 |
MC16C-L511-1V-6 |
| 電源、周波数 |
100V 50Hz |
100V 60Hz |
電動機
(出力、極数) |
0.4kW4P |
0.4kW4P |
風量
(m3/min) |
2 |
3.5 |
6.5 |
2 |
3.5 |
6.5 |
静圧
(kPa) |
ファン単体 |
1.79 |
1.64 |
1.24 |
1.76 |
1.6 |
1.14 |
| 集塵機本体 |
1.6 |
1.3 |
0.57 |
1.5 |
1.2 |
0.57 |
| 運転電流(A) |
8 |
8.4 |
9.6 |
7.1 |
7.8 |
9 |
| 消費電力(W) |
588 |
657 |
798 |
548 |
637 |
768 |
| 回転数(min-1) |
3482 |
3443 |
3380 |
3442 |
3400 |
3333 |
| サーマル値 |
10A |
| フィルター面積 |
0.4m2 |
| ダストチャンバー容量 |
4L |
| 本体寸法※1 |
幅400×奥行き590×高さ435mm |
| 電源コード |
VCT2.0mm2×3芯×2m(プラグ付き) |
| 吸込口外径 |
φ74mm |
| 質量 |
51kg |
| 騒音値※2 |
64dB |
| 付属品 |
取扱説明書 |
| 備考 |
モータ保護装置内蔵 |
※1:本体寸法に、ケーブルグランド、吸込口、握り玉、取っ手などの突起部品は含みません。
※2:騒音値は、本機にダクトホース2mを装着した状態で、本機前後左右の4方向に1m離れた4か所で測定した数値の平均値です。
※3:50Hz専用機種を、60Hz地域で使用すると故障の原因になります。
| 品番 |
MC16C-L511-2V-5 |
MC16C-L511-2V-6 |
| 電源、周波数 |
3相200V 50Hz |
3相200V 60Hz |
電動機
(出力、極数) |
0.4kW2P |
0.4kW2P |
風量
(m3/min) |
2 |
3.5 |
6.5 |
2 |
3.5 |
6.5 |
静圧
(kPa) |
ファン単体 |
1.8 |
1.6 |
1.21 |
1.7 |
1.6 |
1.21 |
| 集塵機本体 |
1.5 |
1.2 |
0.56 |
1.6 |
1.2 |
0.54 |
| 運転電流(A) |
1.8 |
1.8 |
2.2 |
1.6 |
1.8 |
2.1 |
| 消費電力(W) |
507 |
595 |
695 |
440 |
550 |
657 |
| 回転数(min-1) |
3420 |
3384 |
3331 |
3424 |
3368 |
3323 |
| サーマル値 |
2.5A |
| フィルター面積 |
0.4m2 |
| ダストチャンバー容量 |
4L |
| 本体寸法※1 |
幅400×奥行き590×高さ435mm |
| 電源コード |
VCTF1.25mm2×4芯×2m(プラグなし) |
| 吸込口外径 |
φ74mm |
| 質量 |
46kg |
| 騒音値※2 |
64dB |
| 付属品 |
取扱説明書 |
| 備考 |
モータ保護装置内蔵 |
※1:本体寸法に、ケーブルグランド、吸込口、握り玉、取っ手などの突起部品は含みません。
※2:騒音値は、本機にダクトホース2mを装着した状態で、本機前後左右の4方向に1m離れた4か所で測定した数値の平均値です。
※3:50Hz専用機種を、60Hz地域で使用すると故障の原因になります。
■オプション品

| 品 番 |
品 名 |
| MC16STANDARD-FILTER |
標準フィルター角型 |
| MC16PTFE-FILTER |
PTFEフィルター角型 |
|
運賃、および消費税は、記載価格には、含まれていません。
[トップページに戻る]
[注文書]
[見積り依頼] TEL 0729-64-8663 FAX 0729-61-4874
営業時間 AM9:00~PM7:00 営業日 月曜日~金曜日 定休日 土曜日 日曜日 祝日