■特長
●今まで騒音を気にして躊躇していた夜間作業時の暑気対策に最適
(50Hz時=70dB、60Hz時=75dB)
●従来機比最大約23%の省エネ化を実現!
●広い工場・倉庫の換気等に最適
●風の向きを俯仰方向に180度調整可能
●移動の簡単な4輪キャスター(ブレーキ付)

■風の流れをスムーズにする拡管構造。
●新設計のケーシング

VF DESIGNにより余分な 旋回流(風の渦)をなくし、スムーズな風の流れを生みました。(図参照)
それにより従来機比10dBの低騒音化と最大約23%の省エネを実現しました。(3相200V 50Hz時)

■風速分布曲線

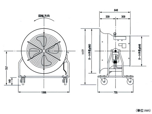
■外形図

■仕様
| 品番 |
MC16F-600-AC200V |
| 電源 |
3相200V |
| ハネ |
外形 |
φ600 |
| 翼数 |
4枚 |
| モータ |
公称出力 |
1500W |
| 極数 |
4P |
消費電力
50/60Hz(W) |
800/1350 |
| 定格電流値(A) |
7.5 |
最大風量
50/60Hz(m3/min) |
480/550 |
| 騒音レベル(dB) |
70/75 |
| 質量(kg) |
83.0 |
外形寸法(mm)
幅×奥行き×高さ |
1066×755×1177 |
| 電源コード |
2.0sq×4芯 10m |
| 保護装置 |
サーマルスイッチ |
| 備考 |
電源コード10m付き。
電源プラグは付いていません。
使用場所に設置されている電源
コンセントに適合するプラグをご
使用下さい。 |
|