ホームページへ

1976年創業 東大阪市商工会議所会員 2005年度IT百選企業。国公立大学、研究所 自衛隊、警察庁 など主な国公立機関に納入実績多数 医療機器販売業免許取得済み

包装資材 包装機械 物流機器 測定機器 洗剤ケミカル 蛍光灯 季節商品(夏) 季節商品(冬)
弱電工具 ホイスト 環境機器 掃除機 ムーブテック 切削工具 機械工具調理厨房機器
研究室用品 安全防犯防災用品 エクステリア 新商品情報 在庫処分情報

関連商品一覧

簡易リフト部品落下防止安全装置/品番 ME24F-005N 【詳細表示】
商品番号 ME24F-005N 価 格
簡易リフト部品落下防止安全装置/ME24F-005N 簡易リフトの万一の故障(ワイヤロープ切断・巻上機の故障・ガイドレールの故障・降下中の障害物)の場合、ワイヤロープの荷重の変化により自動的に偏心歯止めカムローラーが働き瞬時にガイドレールに食い込み停止して、リフトを確実に保護して事故を未然に防止します。
また動作復元が自在な構造となっています。
簡易リフト部品落下防止安全装置
品番 ME24F-005N
廃番
■機能図


■使用例


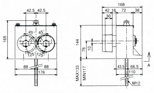
■寸法図


■落下防止仕様


品番 適用ホイスト
ME24F-005N 0.3t 0.5t
ME24F-010N 1.0t

運賃、および消費税は、記載価格には、含まれていません。

[トップページに戻る][注文書] [見積り依頼] TEL0729-64-8663 FAX 0729-61-4874
営業時間 AM9:00〜PM7:00 営業日 月曜日〜金曜日 定休日 土曜日 日曜日 祝日