|
|
■包装資材
■包装機械
■物流機器
■測定機器 ■洗剤■ケミカル
■蛍光灯
■季節商品(夏)
■季節商品(冬)
■弱電工具
■ホイスト
■環境機器
■掃除機
■ムーブテック
■切削工具
■機械工具
■調理厨房機器
■研究室用品
■安全防犯防災用品
■エクステリア
■新商品情報
■在庫処分情報
▼テープカッター−テープディスペンサー
− バッグシーラー − ボックスシーラー −▼緩衝材製造機
▼真空包装機−▼超音波ホッチキス−▼シーラー −▼シュリンク包装セット
− シュリンク収縮機
▼荷造機 - ステープラー
- 帯掛機 - 結束機 -電動ターンテーブル ▼プリンタ -インクジェットプリンタ
▼ テープ封緘機 - 自動梱包機 - 半自動梱包機 - ▼その他の包装機械- ▼中古梱包機械- メインページへ戻る
| 半自動梱包機/品番 ME26AN-125LN | 【詳細表示】 | |||||||||||||||||||||||||||
| 商品番号 | ME26AN-125LN | 価 格 | ||||||||||||||||||||||||||
![]() |
人に優しいユニバーサルデザイン。 重量物や大型製品のバンド掛けに適した低床タイプ。 |
半自動梱包機 品番 ME26AN-125LN 廃番 |
||||||||||||||||||||||||||
| ■特長 ●角が丸い、思いやりの安全・安心設計を追及。 ●バンド引締め力は、操作パネルに設置したダイヤルで、弱締めから強締めまで、最適な引締め強さを簡単に調節・設定できます。 ●一般用途のトルク締め方式のほかに、ストローク引締め方式への切替(選択)を標準装備。長弱締めを可能にするとともに、バンド巻き付き(逆転)時間の大幅な短縮を実現しました。 ●重量物や大型製品のバンド掛けに最適な低床タイプ。重たい梱包物を高く持ち上げることなく梱包できます。 ![]() ■仕様
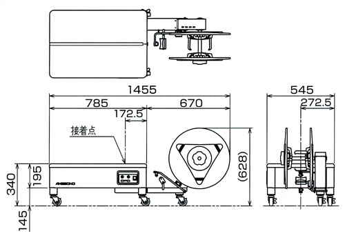
■寸法 ![]() |
||||||||||||||||||||||||||||

[トップページに戻る][注文書] [見積り依頼] TEL0729-64-8663 FAX 0729-61-4874
営業時間 AM9:00〜PM7:00 営業日 月曜日〜金曜日 定休日 土曜日 日曜日 祝日
![]()