シロ産業

包装資材包装機械物流機器測定機器洗  剤ケミカル蛍光灯
季節商品弱電工具ホイスト環境機器掃除機ムーブテック切削工具

作業台台車手動リフター電動リフター油圧ハンドリフターステンレス作業台プレス製台車油圧リフター電動テーブルリフト
作業用イス(オフィスチェア)鉄板台車コゾウリフターハンドパレット台車リフトステンレス台車パレット台車安全用品
電動台車マルチキャリードラム缶運搬車ワゴンパレット平台車二輪車ガスボンベドラム缶運搬車
アルミ運搬車ホワイトラスティーボックスパレットコンテナマワールベルト荷締機高所作業用品
ピッキングカーコンテナ台車タンクキャスター電動階段運搬車ゴミ箱コンベアステンレス機器保管庫作業マット
集塵機傘立てドラムポンプケミカルポンプ農業関連物流機器保冷庫その他の物流機器中古物流機器
物流機器メインページ

関連商品一覧

新品在庫処分品ドラム缶台車二輪/品番 M227T-67ND
問い合わせ番号 Z-0598-6
【詳細表示】
商品番号 M227T-67ND 価 格
●本体がパイプ製で軽快な運搬ができるドラム缶運搬車です。
●鋼製200L缶のオープンタイプ、クローズタイプのドラム缶に。
新品在庫処分品ドラム缶台車二輪
品番 M227T-67ND
問い合わせ番号 Z-0598-6

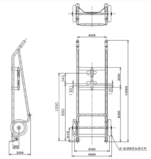
■使用例


■仕様
品番 車輪 台幅 均等荷重 全幅×全長×全高 質量
M227T-67ND 250mmプレス車輪 430mm 300 600×328×1550 オレンジ 17kg

■寸法図
.

運賃、および消費税は、記載価格には、含まれていません。

[トップページに戻る][注文書] [見積り依頼] TEL0729-64-8663 FAX 0729-61-4874
営業時間 AM9:00〜PM7:00 営業日 月曜日〜金曜日 定休日 土曜日 日曜日 祝日