小型紙パックフィルター式集塵機
集塵機
業務用機材商社一筋で、創業41年。東大阪市商工会議所会員、2005年度IT百選企業。
国公立大学、研究所、自衛隊、警察庁 など主な国公立機関に納入実績多数。医療機器販売業免許取得済
■包装資材
■包装機械
■物流機器
■測定機器
■洗剤 ■ケミカル
■蛍光灯
■季節品-夏
■季節品-冬
■弱電工具
■ホイスト
■環境機器
■掃除機
■ムーブテック
■切削工具
■機械工具■調理厨房機器
■研究室用品
■安全防犯防災品
■エクステリア
■新商品
■在庫処分
掃除機カテゴリー一覧を見る
| 小型紙パックフィルター式集塵機/ 品番 MC16C-511-5S |
【詳細表示】 |
| 商品番号 |
MC16C-511-5S |
価 格 |
|
小型紙パックフィルター式集塵機
品番 MC16C-511-5S
価格は下記をご覧下さい |
●モータ出力400Vでコンパクトな集じん機
●紙パックフィルター搭載

■特長
●コンパクト設計
コンパクトボディなので、今までためらっていた狭い場所でも設置可能。卓上研磨作業などで大活躍!
●簡単ダスト処理
業界初の紙パックフィルターを採用。フィルター交換やゴミ捨てが簡単に行えます。

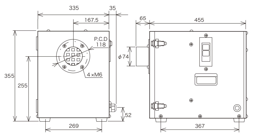
■外形図

■仕様
| 品番 |
MC16C-511-5S |
MC16C-511-6S |
| 馬力区分 |
0.5馬力 |
| 電源 |
3相200V |
| 周波数 |
50Hz |
60Hz |
| 電動機(出力、極数) |
0.4kW、2P |
| 風量(㎥/min) |
2.0 |
3.0 |
4.5 |
2.0 |
3.0 |
4.5 |
静圧
(kPa) |
ファン単体 |
1.86 |
1.79 |
1.68 |
1.97 |
1.89 |
1.76 |
| 集じん機本体 |
1.15 |
0.82 |
0.24 |
1.3 |
0.90 |
0.24 |
| 紙パックフィルター |
濾紙 |
| 吸込口径(外径) |
Φ74mm |
| 吸込口高さ |
255mm |
| 電源コード |
VCTF1.25m㎡x4芯x1m(プラグなし) |
| 本体寸法※1 |
W335xD455xH355mm |
| 騒音値※2 |
69dB |
| 本体質量 |
30kg |
専用周波数機種です。ご使用の地域の周波数(50Hz/60Hz)をご確認のうえご注文ください。
集塵する粉塵の種類により、集塵容量は異なります。
※1 本体寸法に突起物は含みません。
※2 2mのダクトを装着したときの騒音値です。
■オプション
| MC16PF-96S |
MC16C-511S |
 |
 |
| MC16C-511UTS |
MC16C-511S-2192 |
 |
 |
| MC16C-511S-2193 |
MC16C-511S-1720 |
 |
 |
| 品番 |
品名 |
| MC16PF-96S |
小型集塵機MC16C-511用紙パックフィルター |
| MC16C-511S |
小型集塵機MC16C-511用布フィルター |
| MC16C-511UTS |
小型集塵機MC16C-511用カセットフィルターユニット |
| MC16C-511S-2192 |
φ75×2m硬質ダクト |
| MC16C-511S-2193 |
φ75×2m軟質ダクト |
| MC16C-511S-1720 |
キャスター4個セット |
|
運賃、および消費税は、記載価格には、含まれていません。
[トップページに戻る]
[注文書]
[見積り依頼] TEL 0729-64-8663 FAX 0729-61-4874
営業時間 AM9:00~PM7:00 営業日 月曜日~金曜日 定休日 土曜日 日曜日 祝日