ホームページへ

創業32年 東大阪市商工会議所会員 2005年度IT百選企業。国公立大学、研究所 自衛隊、警察庁 など主な国公立機関に納入実績多数 医療機器販売業免許取得済み

包装資材 包装機械 物流機器 測定機器 洗剤ケミカル 蛍光灯 季節商品(夏) 季節商品(冬)
弱電工具 ホイスト 環境機器 掃除機 ムーブテック 切削工具 機械工具 調理厨房機器
研究室用品 安全防犯防災用品 エクステリア 新商品情報 在庫処分情報

関連商品一覧

赤外線式フロンガス濃度測定警報機(NDIR方式)/品番 MF6GM-MZF 【詳細表示】
商品番号 MF6GM-MZF 価 格
赤外線式フロンガス濃度測定警報機(NDIR方式)MF6GM-MZF 赤外線式のフロンガス濃度測定警報機です
赤外線(NDIR)方式採用のため誤作動が少なく安定した測定が可能です
赤外線式フロンガス濃度測定警報機(NDIR方式)
品番 MF6GM-MZF
■MF6GM-MZF(赤外線式フロンガス濃度測定警報機(NDIR方式))

●赤外線(NDIR)方式採用のため誤作動が少なく安定した測定が可能です
●1台で4ゾーン(最大16ゾーンタイプ有)対応型なのでコストも少なくすみます
●アラーム音とランプでガス漏れを知らせます
●外部出力付なのでファン等との連動が可能です
●警報ポイントを任意で設定できます
●濃度標示や自己診断機能などの多機能搭載型です
●対象ガス CFC(R12、R11、R502)
HCFC(R22、R141b)
HFC(R410A、R134a、R407C、R404A)
HFO(R1234yf)etc. 全39種
●測定範囲    0~10000ppm(1%)
●警報点    (25~10000ppm)出力(25ppm毎)
●RS-232C出力  接点出力
●1台で4ゾーン検知
品番 MF6GM-MZF
方式 非分散型赤外線(NDIR)方式
対象ガス R11・R12・R134a・R22・R410A・R404A・R1234yf 他39種
測定範囲 0~10000ppm
警報測定 0~10000ppm(任意)
出力 RS-232C出力端子 接点出力端子
電源 100~240V 消費電力20W
サイズ/質量 300L×342W×124Dmm/6.75kg
表示 LCD液晶ディスプレイ赤緑黄LEDランプ
モニタポイント 本体より最大3.6m
標準付属品 取扱説明書、保証書



■MF6GM-RF(赤外線式フロンガス濃度測定警報機用表示器)

●センサモジュールMF6GM-RF用のリモートディスプレイ
●複数のモジュールMF6GM-RFをコントロールする時使用します
●最大64ゾーンの情報を遠隔コントロール
●最大64ゾーンの情報を集中管理します
●リーク量、リーク場所などを瞬時にモニタリングできます
品番 MF6GM-RF
通信 RS-485
電源 100~240V 消費電力20W
サイズ/質量 280H×254W×76Dmm(前面)/2.27kg
表示 LCD液晶ディスプレイ赤緑黄LEDランプ 壁掛式



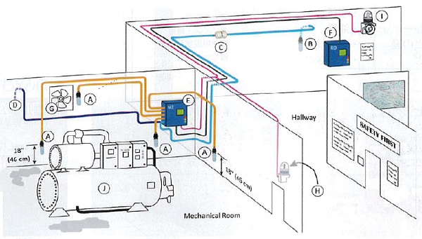
●設置例

A ガス漏れ点検箇所、インレット管   F MF6GM-RF リモートディスプレイ
B 外気取入れ所   G 換気扇
C フィルター   H 警告灯、アラーム
D 排出口   I 警告灯、アラーム
E MF6GM-MZF ゾーンモニター   J チラー

運賃、および消費税は、記載価格には、含まれていません。

[トップページに戻る ][注文書] [見積り依頼] TEL0729-64-8663 FAX 0729-61-4874

営業時間 AM9:00~PM7:00 営業日 月曜日~金曜日 定休日 土曜日 日曜日 祝日