|
|
| 溶融亜鉛メッキウインチ/品番 MF7ZW-100NF |
【詳細表示】 |
|||||||||||||||||||||||||||||||||||||||||||||||||||||||||||||||||||||||||||||||||||||
| 商品番号 | MF7ZW-100NF |
価 格 |
||||||||||||||||||||||||||||||||||||||||||||||||||||||||||||||||||||||||||||||||||||
![]() |
防錆性の高い溶融亜鉛メッキ | 溶融亜鉛メッキウインチ 品番 MF7ZW-100NF 価格は下記をご覧下さい |
||||||||||||||||||||||||||||||||||||||||||||||||||||||||||||||||||||||||||||||||||||
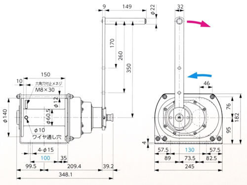
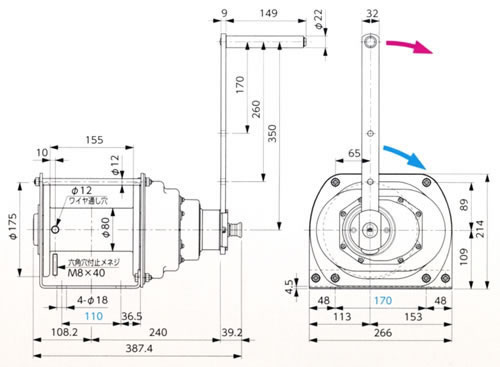
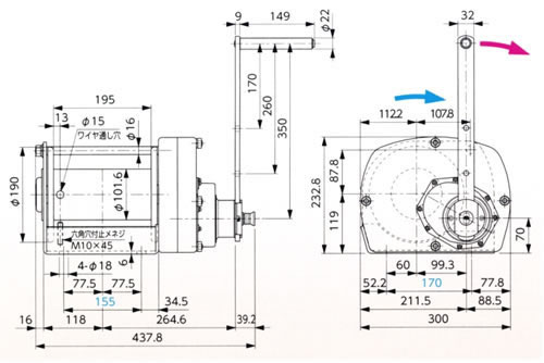
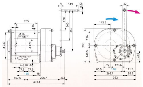
| ■概要 ●本体ケーシング、ドラム、ギヤカバー、ハンドル部には錆に強い溶融亜鉛メッキを施し、 ハンドル押工、ネジ類はSUSを使用しています。 ●ブレーキカバー・ハンドル握りは耐候性プラスチックを使用。 ●ステンレスウインチと安価なMF7NW-100NFシリーズの良いところをミックスした使い易い機種です。 ■安全性を追求 ●ワイヤロープの安全係数を3.55倍以上に設定(クレーン構造規格第54条) ●ドラムを大径化してD/d=11以上を確保 ●セーフティプランジャの採用によりハンドルの固定、長さ調整が簡単で確実、ハンドルの脱落も防止 ●信頼性の高い実績のある安全なブレーキ機構群 ![]() ■環境に配慮 ●ブレーキデスクは非アスベストのアラミド繊維製、メッキは三価クロメート処理、 塗装も鉛を含有しない塗料を使用して、RoHS対応済 ■信頼のメカニカルブレーキ ●メカニカルブレーキの構造 ラチェット@はピニオンAにねじ込まれていて(右ねじ)、ハンドルが取り付けられます。 ピニオンAは減速ギヤ(100型は減速なし)を介してドラムにつながっています。 デスクハブBは四角穴でピニオンAに一体となって組み込まれています。 ブレーキデスクCは、ラチェットデスクDの段付部の上を自由に回転します。 ラチェットデスクDはブレーキ爪Eによって左回転は阻止され、右回転しかできません。 ![]() ●荷重の巻き上げ ハンドルを右回転させるとラチェットがピニオンにねじ込まれるので、 ラチェットとデスクハブに挟まれたブレーキデスク、 ラチェットデスクを押し付けて一体となりピニオンと共に右回転します。 減速ギヤ(100型は減速なし)を介して繋がるドラムが回転してロープを巻き取って荷重を巻き上げます。 ハンドルの右回転を止めると、荷重によりピニオンが左回転しようとしますが、 一体化したラチェットデスクがブレーキ爪によって左回転を阻止されているので 自動的にブレーキがかかることになります。 ●荷重の巻き下げ ピニオンは荷重によって左回転しようとしていますが、 一体化したラチェットデスクがブレーキ爪に左回転を阻止されてブレーキがかかっています。 ここでハンドルを左回転させるとラチェットのねじがゆるんでブレーキデスクを押さえつける力が弱まり、 ラチェットデスクの一体化もゆるむことによって左回転ができないラチェットデスクを残して ピニオンがハンドルを回した分だけ左回転します。 減速ギヤ(100型は減速なし)を介してつながるドラムが回転してロープを巻き戻して荷重を巻き下げます。 ハンドルの左回転を止めると、荷重によりピニオンがラチェットにねじ込まれて ブレーキデスクを押さえる力が高まりラチェットデスクが一体化してブレーキが自動的にかかります。 ●ハンドル操作 ハンドルを右回転させれば巻上げ、左回転させれば巻下げができます。 またハンドルの回転を止めればその位置で自動的にブレーキがかかり、荷重の宙吊りが容易に出来ます。 ![]() ●オプションの軽荷重ブレーキ(PAT.P) メカニカルブレーキの構造上常にピニオンに左回転させる荷重が掛かっていないとブレーキが掛かりません。 またウインチの最大荷重に対して実際の荷重が非常に軽い場合(15%以下)や 荷重変化があるとブレーキが掛かり難くなり、スベリを起こすことがあります。 軽い荷重でも安定した制動が出来る様に開発されたのが軽荷重ブレーキ(オプション)です。 垂れ幕・バトンの上下・蓋の開閉・跳上げ橋・ベルトコンベアーの仰角調整等に安心してご使用戴けます。 注意: ・ブレーキ機構の改造が必要なので後付は出来ません。新規御用命時の指示をお願いします・ ・逆巻き厳禁 ハンドルを左回転してもワイヤをドラムに巻付けでき荷重を巻上げることができますが、 メカニカルブレーキの構造上ブレーキが全く利いていませんので、ハンドルから手を離すと荷重が落下し、 ハンドルが急に逆回転して非常に危険です。 ハンドルの巻き上げ方向には十分注意してください。 ・ハンドルの左回転が巻上げ、右回転が巻下げのいわゆる逆巻き仕様も、 別途メカニカルブレーキ部の改造で対応可能ですが、誤操作の可能性が高くなるので良くご検討下さい。 ![]() ■安全なハンドル押工 ハンドルは容易にセーフティプランジャで長さ調整の3カ所の穴にしっかり固定することが出来ます。 ハンドルの脱落も心配ありません。 注意:・ハンドル3カ所の穴以外での固定は出来ません。(100NF型は2カ所穴) ![]() ■簡単なワイヤの取付 ワイヤはドラムの通し穴に先端を差し込み横から止めネジで押さえる簡単確実な方法を採用 注意:・余巻(捨巻)は3巻き以上必要です。 ![]() ■タイプ・寸法図
■仕様
|
||||||||||||||||||||||||||||||||||||||||||||||||||||||||||||||||||||||||||||||||||||||

[トップページに戻る][注文書] [見積り依頼] TEL0729-64-8663 FAX 0729-61-4874
営業時間 AM9:00〜PM7:00 営業日 月曜日〜金曜日 定休日 土曜日 日曜日 祝日