|
|
■包装資材
■包装機械
■物流機器
■測定機器 ■洗剤■ケミカル
■蛍光灯
■季節商品(夏)
■季節商品(冬)
■弱電工具
■ホイスト
■環境機器
■掃除機
■ムーブテック
■切削工具
■機械工具
■調理厨房機器
■研究室用品
■安全防犯防災用品
■エクステリア
■新商品情報
■在庫処分情報
▼テープカッター-テープディスペンサー - バッグシーラー - ボックスシーラー -▼緩衝材製造機
▼真空包装機-▼超音波ホッチキス-▼シーラー -▼シュリンク包装セット - シュリンク収縮機
▼荷造機 - ステープラー - 帯掛機 - 結束機 -電動ターンテーブル ▼プリンタ -インクジェットプリンタ
▼ テープ封緘機 - 自動梱包機 - 半自動梱包機 - ▼その他の包装機械- ▼中古梱包機械- メインページへ戻る
| 中古ストラパック半自動梱包機/品番 D55 問い合わせ番号 Z-0776-5 |
【詳細表示】 | |||||||||||||||||||||||||||||||||||||||||||||||||||||
| 商品番号 | D55 | 価 格 | ||||||||||||||||||||||||||||||||||||||||||||||||||||
![]() |
引き締め機能を採用したことで全ての梱包物に最適な引締め力とスピードで対応します。 より曲面が強調された外観はオフィスにもぴったりと似合います。 |
中古ストラパック半自動梱包機 品番 D55 問い合わせ番号 Z-0776-5 完売 |
||||||||||||||||||||||||||||||||||||||||||||||||||||
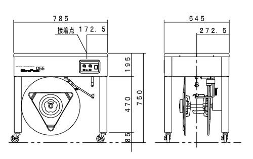
| ■特長 ●安全・安心を追求した曲面ボディ。 ●業界初の引締選択機能(トルク締め、ストローク締め)を採用したことで、全ての梱包物に最適な引締め力とスピードで対応します。 ●PSE適合品です。 ■外形図 引き締め機能(トルク締め、ストローク締め)を採用したことで全ての梱包物に最適な引締め力とスピードで対応します。 ![]() ■仕様
![]()
|
||||||||||||||||||||||||||||||||||||||||||||||||||||||

[トップページに戻る][注文書] [見積り依頼] TEL0729-64-8663 FAX 0729-61-4874
営業時間 AM9:00~PM7:00 営業日 月曜日~金曜日 定休日 土曜日 日曜日 祝日
![]()