食材配管通過時異物除去マグネット

異物除去ツール

業務機器&資材 シロ産業 HOME
新製品情報 在庫処分情報 会社概要
見積依頼 ご注文フォーム お問い合わせ
業務用機材商社一筋で、創業41年。東大阪市商工会議所会員、2005年度IT百選企業。
国公立大学、研究所、自衛隊、警察庁 など主な国公立機関に納入実績多数。医療機器販売業免許取得済

包装資材 包装機械 物流機器 測定機器 洗剤 ケミカル 蛍光灯 季節品-夏 季節品-冬 弱電工具 ホイスト 環境機器 掃除機 ムーブテック 切削工具 機械工具調理厨房機器 研究室用品 安全防犯防災品 エクステリア 新商品 在庫処分


カテゴリー第二分類(調理厨房機器)
調理厨房機器カテゴリー一覧を見る

関連商品一覧

食材通過配管異物除去マグネット(パイプ型) 品番 M2285MH-110K 【詳細表示】
商品番号 M2285MH-110K 価 格
食材通過配管異物除去マグネット(パイプ型)M2285MH-110K

既存の米粒パイプに装着できる高磁力マグネットの異物除去パイプ

食材通過配管異物除去マグネット(パイプ型)
品番 M2285MH-110K

■特徴
●独自の特許構造で、設置場所を選びません。
●既存の米粒パイプに装着できます。
●高磁力のマグネットバーで強力に吸着します。
●マグネットバーの取付け・取外しに工具は不要です。
●金属異物の吸着状況の点検もカンタンです。

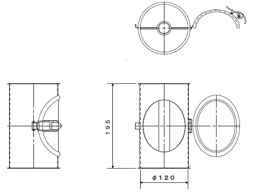
■寸法図


■仕様
品番 M2285MH-110K
材質 SUS304
マグネット本数 1本
概観寸法 φ120×195

運賃、および消費税は、記載価格には、含まれていません。

[トップページに戻る] [注文書] [見積り依頼] TEL 0729-64-8663 FAX 0729-61-4874

営業時間 AM9:00~PM7:00 営業日 月曜日~金曜日 定休日 土曜日 日曜日 祝日