静電除去ファン(3連ファン)

弱電工具

業務機器&資材 シロ産業 HOME
新製品情報 在庫処分情報 会社概要
見積依頼 ご注文フォーム お問い合わせ
業務用機材商社一筋で、創業41年。東大阪市商工会議所会員、2005年度IT百選企業。
国公立大学、研究所、自衛隊、警察庁 など主な国公立機関に納入実績多数。医療機器販売業免許取得済

包装資材 包装機械 物流機器 測定機器 洗剤 ケミカル 蛍光灯 季節品-夏 季節品-冬 弱電工具 ホイスト 環境機器 掃除機 ムーブテック 切削工具 機械工具調理厨房機器 研究室用品 安全防犯防災品 エクステリア 新商品 在庫処分


カテゴリー第二分類(弱電工具)
弱電工具カテゴリー一覧を見る

関連商品一覧

静電除去ファン(3連ファン)/ 品番 M326L-90V 【詳細表示】
商品番号 M326L-90V 価 格
静電除去ファン(3連ファン)/M326L-90V バタフライルーバー採用!
ワイド&スポットの組み合わせで
多用途に除電!

用途:
樹脂成型、電子部品
製造/組立/検査
静電除去ファン(3連ファン)
品番 M326L-90V
価格 ¥141,000.-
■除電エリアが広がるバタフライルーバー!


■容量結合針で長時間、除電性能が安定
独自設計の容量結合針(特許)で、優れたイオンバランスと長期性能を維持します。
高周波交流式圧電トランスでイオンを豊富に生成し、高速除電を実現しています。


■メンテナンスが容易
フロントカバーはワンタッチで取外せます。
針電極はフロントカバーにセットされており、合わせて取外しができます。
設備から離れたところで針電極の清掃が容易におこなえます。


■ワイド&スポットの組み合わせで多用途に除電!
●搬送&スポット除電
大型ガラスのラミネート剥離や フィルム巻き取り部の除電、 樹脂成型でのコンベアへの設置に。




●エリア&スポット除電
ワーキングテーブルに吊り下げて、 製品へのスポット除電、
ストッカーに向けて樹脂成型品の除電と埃混入の防止に。




●ワイド&エリア除電
エアーシャワー室や 装置内への設置。 塗装やUV照射工程前の帯電防止に。




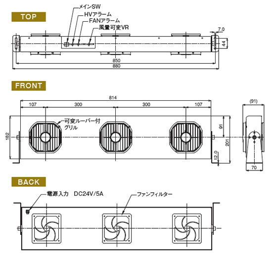
■外形寸法図


■仕様
品番 M326L-90V
イオン発生方式 交流高周波コロナ放電式
印加電圧 AC9.5kV(p-p)
入力電圧・電流 DC24V±5% 3.0A(max.)
高さ×幅×奥行 H182×W814×D91mm
(スタンドを含む:H201×W880×D91mm)
重量 4.7kg
風量 4.7m3/min 3機(風量最大1m)
騒音 72dB 風量最大 (A特性、測定距離1m)
オゾン 0.05ppm以下(測定距離50mm)
異常警告 高電圧出力停止(赤LED)、ファンロック時(赤LED)
保護機能 ファンモータ回転監視機能(拘束検出)、
高電圧出力シャットダウン機能(過負荷検出)
使用温度・湿度 5~40℃ 35~65%RH(ただし結露氷結のないこと)
保存温度・湿度 0~60℃ 35~85%RH(ただし結露氷結のないこと)
使用距離 150~900mm
設置場所 屋内
除電時間 中面・除電エリアをご参照ください。
イオンバランス ±10V以内(出荷時、測定距離300mm)
エアフィルタ フィルタ
材質 本体:SPCC
スタンド:ステンレス
フロントカバー:難燃性ABS樹脂
放電針:SUS304


■付属品
●ACアダプター
品番 M326D24-ITV
品名 静電除去ファン用ACアダプター
定格入力電圧 AC100V-240V(50/60Hz)1.5A
定格出力電圧 DC24V 3.75A
使用温度・湿度 0~40℃ 10~85%RH
(ただし結露氷結のないこと)
コード長 DC出力コード約1.8m
AC入力コード約1.8m
重量 350g
価格 ¥6,600.-


■交換部品

品番 品名 価格
M326L-90CHV フロントカバー(針電極付き) ¥Mail
M326L-90FV フィルタ ¥Mail
M326L-90FSV フィルタセット ¥Mail

運賃、および消費税は、記載価格には、含まれていません。

[トップページに戻る] [注文書] [見積り依頼] TEL 0729-64-8663 FAX 0729-61-4874

営業時間 AM9:00~PM7:00 営業日 月曜日~金曜日 定休日 土曜日 日曜日 祝日