鉄製フード付集塵作業台

集塵機

業務機器&資材 シロ産業 HOME
新製品情報 在庫処分情報 会社概要
見積依頼 ご注文フォーム お問い合わせ
業務用機材商社一筋で、創業41年。東大阪市商工会議所会員、2005年度IT百選企業。
国公立大学、研究所、自衛隊、警察庁 など主な国公立機関に納入実績多数。医療機器販売業免許取得済

包装資材 包装機械 物流機器 測定機器 洗剤 ケミカル 蛍光灯 季節品-夏 季節品-冬 弱電工具 ホイスト 環境機器 掃除機 ムーブテック 切削工具 機械工具調理厨房機器 研究室用品 安全防犯防災品 エクステリア 新商品 在庫処分


カテゴリー第二分類(物流機器)
物流機器カテゴリー一覧を見る
作業台軽量作業台中量作業台重量作業台昇降式作業台ステンレス作業台台車軽量台車樹脂台車レベラー台車ストッパー付台車静音台車折りたたみ台車プレス製台車網カゴ台車長尺台車/長物台車鉄板台車二段台車三段台車一輪車二輪車アルミ製二輪/三輪運搬車ガスボンベ運搬車ドラム缶運搬車ステンレス台車アルミ台車パレット台車コンテナ台車電動台車牽引車平台車アルミ製運搬車エンジンクローラー運搬車マルチキャリー電動階段運搬車リヤカーアルミリヤカーピッキングカー手動リフターエアーリフト電動フォークリフト電動リフター電動テーブルリフト手動テーブルリフト手動油圧リフター油圧リフター油圧ハンドリフターコゾウリフターハンドパレット台車リフトステンレスリフターステンレス台車リフトエアコン室外機リフター集塵機一斗缶ペール缶ドラム缶反転リフトボンベスタンド一斗缶・ペール缶スタンドドラム缶ヒーター一斗缶ペール缶ドラム缶給油コックドラム缶液面計・残量ゲージ攪拌混合機ワゴンステンレスワゴンショッピングカートショッピングバスケットホワイトラスティースリムカートステンレス棚パレットプラスチックパレット再生エコパレット樹脂パレットアルミパレット輸出用パレットネスティングパレットラックボックスパレットパレットカバータンクポリエチレン製タンクステンレスタンク雨水タンクFRPタンク耐熱タンク貯水タンクドラム缶ドラムポンプ/ケミカルポンプコンテナ防水コンテナアルミコンテナ樹脂コンテナ折り畳み式コンテナマワールターンテーブルベルト荷締機高所作業用品脚立・はしご・踏み台安全用品作業用イス(オフィスチェア)クリーンルーム用チェア導電作業椅子・導電チェアライン引きラインテープキャスターゴミ箱分別ゴミ箱ステンレスゴミ箱防犯対策用窓付ゴミ箱傘立てコンベアステンレス機器テント/シート/網/カーテン油圧ジャッキエアー搬送機器保管庫ステンレス保管庫PCB廃棄物保管庫保冷庫/保温庫作業マット/フロアマット農業関連物流機器その他の物流機器中古物流機器

関連商品一覧

鉄製フード付集塵作業台 品番 M513ES75Y-EVD50HZ 【詳細表示】
商品番号 M513ES75Y-EVD50HZ 価 格
鉄製フード付集塵作業台/M513ES75Y-EVD50HZ ●作業スペースと集塵機を一体化した集塵装置付き作業台です。
●丈夫なスチールフードを搭載
●フード前面は透明アクリル板で視認性も確保
●前面アクリル板はストッパー付で開閉角度は自在
鉄製フード付集塵作業台
品番 M513ES75Y-EVD50HZ
価格は下記をご覧ください
■特長
●省エネモータで高い集塵能力
作業スペース直結型の為、通常の配管・フードを接続する一般的な集塵機と比べ、抵抗となる【圧力損失】がほとんどありません。小さなモータで最大限の集塵能力を実現します。
●手動シェイキング装置
シェイキング機能で粉じん量の多い作業にも対応。払い落した粉塵は下部受皿に溜まり、そこから回収が可能。定期的な払い落しでフィルター寿命の延長に繋がります。

●レイアウト変更が簡単
配管やフードが無い為、レイアウト変更時に無駄な時間とコストを削減できます。電源接続のみで設置可能です。
●24 時間連続運転が可能
フィルターメンテナンスやシェイキングに伴う停止は必要ですが、長時間の連続運転が可能です。
●高性能フィルターを搭載 - 高い集塵能力を発揮
ろ過面積が非常に広いプリーツ形状により、目詰まりが軽減され、長時間の能力維持が可能。
※オプションとしてHEPAクラスフィルターをご用意。クリーンルーム環境でのご使用も可能です。

●工具レスで簡単メンテナンス
フィルターメンテナンス・交換に工具は全く必要ありません。どなたでも簡単にメンテナンス可能です。
●再利用可能なフィルター
汚れてしまったメインフィルターは、水洗い or ブラッシングで清掃した後、再利用が可能で経済的です


●幅広い用途に対応
単に集塵だけでなく、除塵、除電後の粉塵の再付着予防にも最適です。



■各部名称


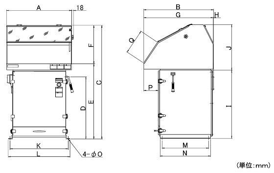
■寸法図(mm)

品番 A B C D E F G H I J K L M N O P Q
M513ES75Y-EVD
M513ES75Y-PVD
870 704 1150 630 760 390 700 4 690 460 736 780 480 530 18 126 253


■仕様
品番 M513ES75Y-EVD50HZ M513ES75Y-EVD60HZ
タイプ スタンダード
集塵方式 成形不織布カートリッジフィルター方式
電源 3φ200V
出力(kW) 0.75
周波数(Hz) 50 60
定格電流値(A) 3.6 3.5
最大時風量(m3/min) 16
最高時静圧(kPa) 1.81 1.96
フード面制御風速(m/s) 1.3
引出容量(L) 10
最大性能時騒音(dB) 69
質量(kg) 136
使用フィルター数 2 枚
価格 ¥Mail ¥Mail


品番 M513ES75Y-PVD50HZ M513ES75Y-PVD60HZ
タイプ IE3モーター仕様
集塵方式 成形不織布カートリッジフィルター方式
電源 3φ200V
出力(kW) 0.75
周波数(Hz) 50 60
定格電流値(A) 3.6 3.5
最大時風量(m3/min) 16
最高時静圧(kPa) 1.81 1.96
フード面制御風速(m/s) 1.3
引出容量(L) 10
最大性能時騒音(dB) 69
質量(kg) 136
使用フィルター数 2 枚
価格 ¥Mail ¥Mail



■オプション

品  番 品  名 価格
M513ES75Y-CASTER-SET キャスターセット ¥Mail
M513ES75Y-HEPAFILTER HEPAクラスフィルター ¥Mail
M513ES75Y-MAINFILTER メインフィルター ¥Mail

運賃、および消費税は、記載価格には、含まれていません。

[トップページに戻る] [注文書] [見積り依頼] TEL 0729-64-8663 FAX 0729-61-4874

営業時間 AM9:00~PM7:00 営業日 月曜日~金曜日 定休日 土曜日 日曜日 祝日