ホームページへ

創業32年 東大阪市商工会議所会員 2005年度IT百選企業。国公立大学、研究所 自衛隊、警察庁 など主な国公立機関に納入実績多数 医療機器販売業免許取得済み

■包装資材 ■包装機械 ■物流機器 ■測定機器 ■洗剤■ケミカル ■蛍光灯 ■季節商品(夏) ■季節商品(冬)
■弱電工具 ■ホイスト ■環境機器 ■掃除機 ■ムーブテック ■切削工具 ■機械工具 ■調理厨房機器
■研究室用品 ■安全防犯防災用品 ■エクステリア ■新商品情報 ■在庫処分情報


▼テープカッター-テープディスペンサー - バッグシーラー - ボックスシーラー▼緩衝材製造機
▼真空包装機▼超音波ホッチキス▼シーラー▼シュリンク包装セット - シュリンク収縮機
▼荷造機 - ステープラー - 帯掛機 - 結束機 -電動ターンテーブル ▼プリンタ -インクジェットプリンタ
▼ テープ封緘機 - 自動梱包機 - 半自動梱包機
- ▼その他の包装機械- ▼中古梱包機械- メインページへ戻る

関連商品一覧



中古ストラパック超低床型半自動梱包機/品番 D55LB
問い合わせ番号 Z-0784-1
【詳細表示】
商品番号 D55LB 価 格
中古ストラパック超低床型半自動梱包機D55LBZ-0784-1 製品重量、サイズの大きい製品から封筒・ICチップ等が入ったプラスチックトレーなど傷つきやすく小さい製品の梱包もお任せ下さい。
業界初の引締め選択機能採用表面がやわらかく痛みやすい化粧箱などを弱く締めたい場合や、スピードを重視される場合はストローク締め方式、シートなどサイズが大きく、柔軟性のある製品をしっかりと梱包したい場合は、トルク締め方式がおすすめです。
中古ストラパック超低床型半自動梱包機
品番 D55LB
問い合わせ番号 Z-0784-1
完売
■特徴
重量物や大型製品のバンド掛けに最適な超低床型。
重たい梱包物を高く持ち上げることなく梱包できます。


■外観
中古ストラパック超低床型半自動梱包機D55LBZ-0784-1
中古ストラパック超低床型半自動梱包機D55LBZ-0784-1

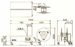
■外形寸法図
中古ストラパック超低床型半自動梱包機D55LBZ-0784-1

■仕様
品番 D55LB
機械寸法 全幅 1455mm
ボディ幅 785mm
奥行 545mm
テーブル高さ 340mm (480mm)
全高 628mm (768mm)
機械質量 約55kg (約57kg)
梱包可能寸法 最大 幅60mm以上
最小 フリーサイズ
シール方式 ヒートシール(熱溶着)方式
引締め方式 トルク方式・ストローク方式選択型
最大引締め力 400N (約40kgf)
使用バンド幅 5mm~15.5mm
使用可能バンドコイル(mm) 外径450×内径200×幅200
電源 単相 100V 50/60Hz
最大消費電力 0.4kw

運賃、および消費税は、記載価格には、含まれていません。

[トップページに戻る ][注文書] [見積り依頼] TEL0729-64-8663 FAX 0729-61-4874

営業時間 AM9:00~PM7:00 営業日 月曜日~金曜日 定休日 土曜日 日曜日 祝日