ホームページへ

創業32年 東大阪市商工会議所会員 2005年度IT百選企業。国公立大学、研究所 自衛隊、警察庁 など主な国公立機関に納入実績多数 医療機器販売業免許取得済み

■包装資材 ■包装機械 ■物流機器 ■測定機器 ■洗剤■ケミカル ■蛍光灯 ■季節商品(夏) ■季節商品(冬)
■弱電工具 ■ホイスト ■環境機器 ■掃除機 ■ムーブテック ■切削工具 ■機械工具 ■調理厨房機器
■研究室用品 ■安全防犯防災用品 ■エクステリア ■新商品情報 ■在庫処分情報


▼テープカッター-テープディスペンサー - バッグシーラー - ボックスシーラー▼緩衝材製造機
▼真空包装機▼超音波ホッチキス▼シーラー▼シュリンク包装セット - シュリンク収縮機
▼荷造機 - ステープラー - 帯掛機 - 結束機 -電動ターンテーブル ▼プリンタ -インクジェットプリンタ
▼ テープ封緘機 - 自動梱包機 - 半自動梱包機
- ▼その他の包装機械- ▼中古梱包機械- メインページへ戻る

関連商品一覧



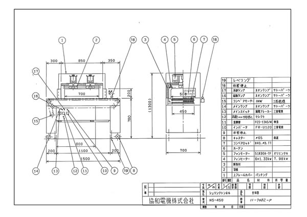
中古協和電機シュリンクトンネル 品番 NS-450
問い合わせ番号 Z-0786-4
【詳細表示】
商品番号 NS-450 価 格
中古協和電機シュリンクトンネルNS-450Z-0786-4 コンベアスピード調整は、インバータにより可変できます。

デジタル温度調節器の採用により、炉内の温度が常に安定しています。

冷却回路の採用により、ヒーターカットと同時に炉内が冷却され自動的に運転が停止します。
中古協和電機シュリンクトンネル
品番 NS-450
問い合わせ番号 Z-0786-4
完売
■仕様
品番 NS-450
機械寸法※ 1300(L)×650(W)×1340(H)mm
開口部 450(W)×200(H)mm
電源 3相AC200V 30A以上
※フランジ、シュート等の突出部分除く

中古協和電機シュリンクトンネルNS-450Z-0786-4


■寸法図

運賃、および消費税は、記載価格には、含まれていません。

[トップページに戻る ][注文書] [見積り依頼] TEL0729-64-8663 FAX 0729-61-4874

営業時間 AM9:00~PM7:00 営業日 月曜日~金曜日 定休日 土曜日 日曜日 祝日