ウォータークーラー
ウォータークーラー
業務用機材商社一筋で、創業41年。東大阪市商工会議所会員、2005年度IT百選企業。
国公立大学、研究所、自衛隊、警察庁 など主な国公立機関に納入実績多数。医療機器販売業免許取得済
■包装資材
■包装機械
■物流機器
■測定機器
■洗剤 ■ケミカル
■蛍光灯
■季節品-夏
■季節品-冬
■弱電工具
■ホイスト
■環境機器
■掃除機
■ムーブテック
■切削工具
■機械工具■調理厨房機器
■研究室用品
■安全防犯防災品
■エクステリア
■新商品
■在庫処分
冷房商品カテゴリー一覧を見る
| ウォータークーラー 品番 M2934F-51P2N |
【詳細表示】 |
| 商品番号 |
M2934F-51P2N |
価 格 |
 |
●いつでも冷たい水が用意できます。
●水道直結タイプで給水の手間がかかりません。 |
ウォータークーラー
品番 M2934F-51P2N
廃番 |
■ノズル部

■足踏みペダル

■用途
●事務所・工場での飲料水。
■タイプ
| M2934F-51P2N |
M2934F-D51P2N |
 |
 |
■構造図 (M2934F-51P2N)
 
■外形寸法図 (M2934F-51P2N)

 
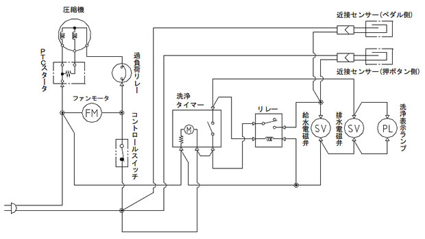
■配線図 (M2934F-51P2N)

■冷凍サイクル図 (M2934F-51P2N)

■水配管系統図 (M2934F-51P2N)

■構造図 (M2934F-D51P2N)
 
■外形寸法図 (M2934F-D51P2N)

 
■配線図 (M2934F-D51P2N)

■冷凍サイクル図 (M2934F-D51P2N)

■水配管系統図 (M2934F-D51P2N)

■仕様
| 品番 |
M2934F-51P2N |
M2934F-D51P2N |
| 外径寸法 |
幅 |
360mm |
| 奥行 |
325mm |
| 高さ |
947mm |
| 外観色調 |
排水盤 |
シルバー光沢 |
| 蛇口カバー |
シティーグレー |
| 押しボタン |
スカイブルー |
| キャビネット |
ホワイト |
| 前面パネル |
ホワイト |
| フレーム |
黒 |
| 外観材質 |
排水盤 |
ステンレス鋼板 |
| 蛇口カバー |
ABS樹脂 |
| 押しボタン |
AAS樹脂 |
| キャビネット |
カラー鋼板 (PCM鋼板) |
| 前面パネル |
カラー鋼板 (PCM鋼板) |
| フレーム |
溶融亜鉛メッキ鋼板・カチオン塗装 |
| 冷却タンク容量 |
3L |
| 冷却装置 |
圧縮機 |
全密閉形往復動式・出力130W |
| 冷媒 |
HFC-134a |
| 凝縮器 |
強制空冷アルミフィン&銅チューブ式 |
| 送風機 |
コンデンサランモータ 1.4W/110mmフアン (凝縮器用) |
| 冷却器 |
ステンレスタンク・外周クーリングパイプ巻付 |
| 冷媒制御 |
キャピラリーチューブ式 |
| 過負荷保護装置 |
バイメタル式自動復帰形圧縮機用オーバーロードリレー |
| 水温調節 |
自動温度調節器(固定式) |
| 流量調節 |
電磁弁内蔵フロコン(調整済) |
| 給水口 |
G1/2(ストレート) |
| 排水口 |
R1(テーパ) |
| 水抜口 |
排水用電磁弁自動排 |
オネジM10キャップ付 |
| 給水装置 |
給水用電磁弁 |
| 給水操作 |
押しボタン・足踏みペダル共用 |
| 洗浄方式 |
自動洗浄 |
手動(水抜口開放) |
| 洗浄表示 |
ネオンランプ表示 |
なし |
| 運転表示 |
なし |
| 電源コード |
ビニルキャブタイヤコード(機外長:2m) |
| 仕様保証条件 |
外気温度 |
10℃~35℃ |
| 給水温度 |
常温水道水 |
| 給水圧力 |
0.07MPa~0.6MPa |
| 電源 |
周波数 |
50/60Hz |
| 電圧 |
単相100V±10V |
| 電気特性 |
消費電流
消費電力 |
3.8±0.4/3.4±0.4A |
| 264±27/269±27W |
| 性能 |
冷水性能 |
35杯目採水温度:15℃以下
(条件)
外気温:30℃ 給水温:25℃
35分運転後 170cc/30sec 間歇採水 |
| 製品質量 |
23kg |
| 付属部品 |
据付金具 |
| オプション部品 |
補助蛇口・コップ立て |
| 電気用品安全法 |
第三者認証取得 |
| 日本水道協会 |
日水協認証取得 |
※現在オプション部品の取り扱いはございません。
|
運賃、および消費税は、記載価格には、含まれていません。
[トップページに戻る]
[注文書]
[見積り依頼] TEL 0729-64-8663 FAX 0729-61-4874
営業時間 AM9:00~PM7:00 営業日 月曜日~金曜日 定休日 土曜日 日曜日 祝日