ステンレス電動ホイスト

ホイスト

業務機器&資材 シロ産業 HOME
新製品情報 在庫処分情報 会社概要
見積依頼 ご注文フォーム お問い合わせ
業務用機材商社一筋で、創業41年。東大阪市商工会議所会員、2005年度IT百選企業。
国公立大学、研究所、自衛隊、警察庁 など主な国公立機関に納入実績多数。医療機器販売業免許取得済

包装資材 包装機械 物流機器 測定機器 洗剤 ケミカル 蛍光灯 季節品-夏 季節品-冬 弱電工具 ホイスト 環境機器 掃除機 ムーブテック 切削工具 機械工具調理厨房機器 研究室用品 安全防犯防災品 エクステリア 新商品 在庫処分


カテゴリー第二分類(ホイスト)
ホイストカテゴリー一覧を見る

関連商品一覧

ステンレス電動ホイスト/ 品番 M400NH-100KGSUS 【詳細表示】
商品番号 M400NH-100KGSUS 価 格
ステンレス電動ホイストM400NH-100KGSUS ワイヤーロープ(SUS304、6×37)と下フック(SUS304)がステンレス製、ボディーと上フックは鉄製メッキ仕上げ、またモーターはアルミダイカスト製なので、錆びをきらう場所や、クリーンな環境等に適しています。 ステンレス電動ホイスト
品番 M400NH-100KGSUS
■特徴
●ワイヤーロープ(SUS304、6×37)と下フック(SUS304)がステンレス製、ボディーと上フックは鉄製メッキ仕上げ、またモーターはアルミダイカスト製なので、錆びをきらう場所や、クリーンな環境等に適しています。

●単相100V仕様なのでご家庭でもご使用できます。

●誘導ギヤードモーターの採用でオイル交換やカーボンブラシの交換の煩わしさはありません。

●動作音が引くので場所や状況によらず使用可能です。

●日・米・独・仏・伊・中国・台湾 8ヵ国 特許取得済み


■使用例



■寸法図



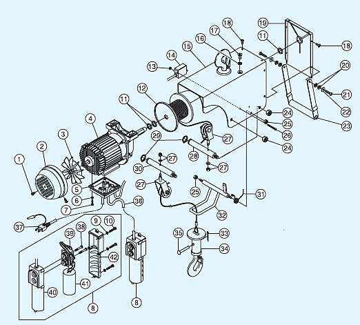
■分解図



■仕様
品番 M400NH-100KGSUS
定格荷重 100kg
揚程 5m
巻上速度 12m/分
電源 100V 50/60Hz
時間定格 5分
モーター出力 250W
電源コード長さ 1.5m
操作スイッチコード長さ 3m
ワイヤー径 6mm
自重(kg) 14.5kg

運賃、および消費税は、記載価格には、含まれていません。

[トップページに戻る] [注文書] [見積り依頼] TEL 0729-64-8663 FAX 0729-61-4874

営業時間 AM9:00~PM7:00 営業日 月曜日~金曜日 定休日 土曜日 日曜日 祝日