一升瓶底パッドホルダー(400個入)

緩衝材

業務機器&資材 シロ産業 HOME
新製品情報 在庫処分情報 会社概要
見積依頼 ご注文フォーム お問い合わせ
業務用機材商社一筋で、創業41年。東大阪市商工会議所会員、2005年度IT百選企業。
国公立大学、研究所、自衛隊、警察庁 など主な国公立機関に納入実績多数。医療機器販売業免許取得済

包装資材 包装機械 物流機器 測定機器 洗剤 ケミカル 蛍光灯 季節品-夏 季節品-冬 弱電工具 ホイスト 環境機器 掃除機 ムーブテック 切削工具 機械工具調理厨房機器 研究室用品 安全防犯防災品 エクステリア 新商品 在庫処分


カテゴリー第二分類(包装資材)
包装資材カテゴリー一覧を見る

関連商品一覧

一升瓶底パッドホルダー(400個入)/品番 M1363SB-100NH 【詳細表示】
商品番号 M1363SB-100NH 価 格
一升瓶底パッドホルダー(400個入)/M1363SB-100NH さっと使える古紙リサイクル素材パット 一升瓶底パッドホルダー(400個入)
品番 M1363SB-100NH
■特長
●メーカーオリジナルの一升瓶の底パットです。瓶を紙の素材で優しく保護します。
●一升瓶用化粧箱の中の底部の緩衝材として御使用下さい。
●材料は古紙100%。使用後は再リサイクルでき、環境に優しい緩衝材です。

■使用例


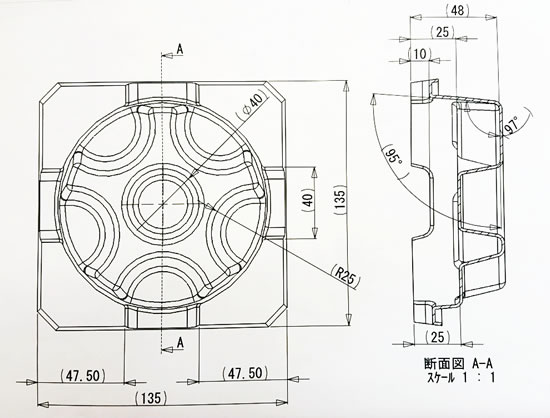
■寸法図


■仕様
品番 製品外寸(mm) 底部の緩衝距離
(mm)
発送箱寸法(mm) 入り数/箱
M1363SB-100NH 135×135×50 25 690×500×620 400ケ

運賃、および消費税は、記載価格には、含まれていません。

[トップページに戻る] [注文書] [見積り依頼] TEL 0729-64-8663 FAX 0729-61-4874

営業時間 AM9:00~PM7:00 営業日 月曜日~金曜日 定休日 土曜日 日曜日 祝日