エコノミーフレコンバッグ(ベージュ/JIS規格準拠)
フレコン
業務用機材商社一筋で、創業41年。東大阪市商工会議所会員、2005年度IT百選企業。
国公立大学、研究所、自衛隊、警察庁 など主な国公立機関に納入実績多数。医療機器販売業免許取得済
■包装資材
■包装機械
■物流機器
■測定機器
■洗剤 ■ケミカル
■蛍光灯
■季節品-夏
■季節品-冬
■弱電工具
■ホイスト
■環境機器
■掃除機
■ムーブテック
■切削工具
■機械工具■調理厨房機器
■研究室用品
■安全防犯防災品
■エクステリア
■新商品
■在庫処分
環境機器カテゴリー一覧を見る
| エコノミーフレコンバッグ(ベージュ/JIS規格準拠)/
品番 M227FCB-T1ET-BE |
【詳細表示】
|
| 商品番号 |
M227FCB-T1ET-BE |
価 格 |
 |
エコノミーフレコンバッグ
排出口付エコノミーフレコンバッグ |
エコノミーフレコンバッグ(ベージュ/JIS規格準拠)
品番 M227FCB-T1ET-BE
価格は下記をご覧ください |
■特長 (エコノミーフレコンバッグ)
●お求めやすいエコノミータイプです。
●ベルトが色分けされており、一目で判別できるので便利です。
●内容物をフォークリフトで吊り上げ、そのまま倉庫などに貯蔵することが可能です。
●使用しないときは、折りたたんで保管可能なため、スペースを取りません。
■特長 (排出口付エコノミーフレコンバッグ)
●お求めやすいエコノミータイプです。
●内容物をフォークリフトで吊り上げ、そのまま倉庫などに貯蔵することが可能です。
●使用しないときは、折りたたんで保管可能なため、スペースを取りません。
■用途
●廃材袋として。
●原料などの輸送袋として。
■仕様
●JIS Z1651:2008準拠品
■材質
●ポリプロピレン(PP)
■製造国
●中国
■注意
●ご使用は1回限りとなります。
●防水ではありません。
●食品衛生法適合品ではありません。
●ラミネートとはコンテナに充てんした内容物の漏洩を軽減させるために、表面にコーティングしたものをいいます。
■タイプ
| M227FCB-T1ET-BE |
M227FCB-T1ET-BL |
 |
 |
| M227FCB-T1ET-RE |
M227FCB-T1ETR-BE |
 |
 |
■タイプ
| M227FCB-T2ET-BE |
M227FCB-T2ET-BL |
 |
 |
| M227FCB-T2ET-RE |
M227FCB-T2ETR-BE |
 |
 |
| ラミなし |
ラミあり |
 |
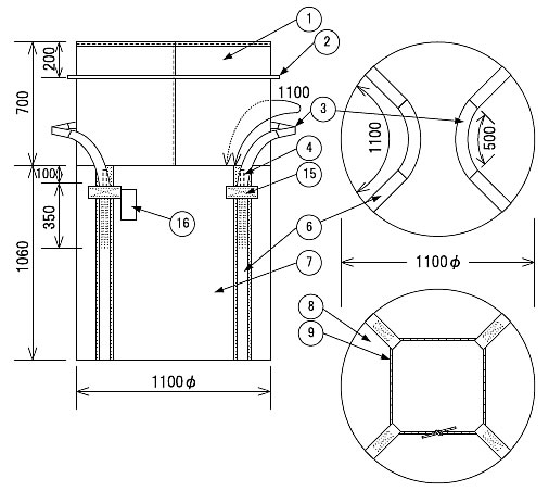
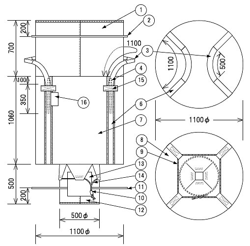
■寸法図
| エコノミーフレコンバッグ |
 |
| ① |
投入口 |
| ② |
縛りテープ |
| ③ |
補強布 |
| ④ |
フック |
| ⑥ |
吊ベルト |
| ⑦ |
本体 |
| ⑧ |
本体底部 |
| ⑨ |
押えロープ |
| ⑩ |
ストッパー |
| ⑪ |
縛りテープ |
| ⑫ |
排出口 |
| ⑬ |
排出口フタ |
| ⑭ |
絞りロープ |
| ⑮ |
逆引き防止 |
| ⑯ |
ラベル |
|
| 排出口付エコノミーフレコンバッグ |
 |
| ① |
投入口 |
| ② |
縛りテープ |
| ③ |
補強布 |
| ④ |
フック |
| ⑥ |
吊ベルト |
| ⑦ |
本体 |
| ⑧ |
本体底部 |
| ⑨ |
押えロープ |
| ⑩ |
ストッパー |
| ⑪ |
縛りテープ |
| ⑫ |
排出口 |
| ⑬ |
排出口フタ |
| ⑭ |
絞りロープ |
| ⑮ |
逆引き防止 |
| ⑯ |
ラベル |
|
■仕様
| 品番 |
最大充
填荷重
(kg) |
外径×高さ
(mm) |
投入口寸法
外径×寸法 (mm) |
排出口 |
ラミ
ネート |
ベルト色 |
質量
(kg) |
| M227FCB-T1ET-BE |
1000 |
φ1100×1060 |
φ1100×700 |
なし |
なし |
ベージュ |
1.9 |
| M227FCB-T1ET-BL |
1000 |
φ1100×1060 |
φ1100×700 |
なし |
なし |
青 |
1.9 |
| M227FCB-T1ET-RE |
1000 |
φ1100×1060 |
φ1100×700 |
なし |
なし |
赤 |
1.9 |
| M227FCB-T1ETR-BE |
1000 |
φ1100×1060 |
φ1100×700 |
なし |
あり |
ベージュ |
2.0 |
| 品番 |
最大充
填荷重
(kg) |
外径×高さ
(mm) |
投入口寸法
外径×寸法 (mm) |
排出口寸法
外径×寸法 (mm) |
ラミ
ネート |
ベルト色 |
質量
(kg) |
| M227FCB-T2ET-BE |
1000 |
φ1100×1060 |
φ1100×700 |
φ500×500 |
なし |
ベージュ |
2.0 |
| M227FCB-T2ET-BL |
1000 |
φ1100×1060 |
φ1100×700 |
φ500×500 |
なし |
青 |
2.0 |
| M227FCB-T2ET-RE |
1000 |
φ1100×1060 |
φ1100×700 |
φ500×500 |
なし |
赤 |
2.0 |
| M227FCB-T2ETR-BE |
1000 |
φ1100×1060 |
φ1100×700 |
φ500×500 |
あり |
ベージュ |
2.1 |
|
運賃、および消費税は、記載価格には、含まれていません。
[トップページに戻る]
[注文書]
[見積り依頼] TEL 0729-64-8663 FAX 0729-61-4874
営業時間 AM9:00~PM7:00 営業日 月曜日~金曜日 定休日 土曜日 日曜日 祝日