卓上エンドレスシーラー

エンドレスシーラー

業務機器&資材 シロ産業 HOME
新製品情報 在庫処分情報 会社概要
見積依頼 ご注文フォーム お問い合わせ
業務用機材商社一筋で、創業41年。東大阪市商工会議所会員、2005年度IT百選企業。
国公立大学、研究所、自衛隊、警察庁 など主な国公立機関に納入実績多数。医療機器販売業免許取得済

包装資材 包装機械 物流機器 測定機器 洗剤 ケミカル 蛍光灯 季節品-夏 季節品-冬 弱電工具 ホイスト 環境機器 掃除機 ムーブテック 切削工具 機械工具調理厨房機器 研究室用品 安全防犯防災品 エクステリア 新商品 在庫処分


カテゴリー第二分類(包装機械)
包装機械カテゴリー一覧を見る

関連商品一覧

卓上エンドレスシーラー/品番 MF1SBTA133-10WF 【詳細表示】
商品番号 MF1SBTA133-10WF 価 格
卓上エンドレスシーラー/MF1SBTA133-10WF 電動・加熱温度制御インパルス式ベルトシーラー
インパルス式のベルトシーラーで高速シーリング。

シール幅20mmタイプはこちら
卓上エンドレスシーラー
品番 MF1SBTA133-10WF
価格は下記をご覧ください。
■特長
●インパルスシール方式のベルトシーラー
スピーディーである熱板式ベルトシーラーの長所と、美しく高精度なシーリングを行うことができるインパルスシーラーの長所を兼ね備えた画期的なシーラーです。また、加熱温度制御機能を標準搭載しています。

●包装可能な包材(2枚以上あわせての合計)
PE:0.6mm
PP:0.4mm
NY:0.4mm
PVA:0.4mm
その他ラミネート:0.5mm

●加熱温度制御機能搭載インパルス式ベルトシーラー
加熱温度制御機能を備えたインパルス方式のベルトシーラーはインパルスシーラーのメリット「予熱の必要が無く、加熱工程だけヒーター部に通電する」をさらに向上させ、「設定加熱温度を維持したままシールできる」たいへん効率的で無駄な電力を消費しないシーラーです。

●シールスピード(最速10 m/分)
熱板シーラーの特性を最大限に活かしたシーラーが従来からの熱板式ベルトシーラーです。インパルスシーラーのメリットとベルトシーラーのメリットの双方を備え、よりスピーディな作業で美しいシールを行っていただくことが可能です。
シールスピードは、2~10 m/分の範囲で調整することが可能です。

●簡単な操作
※ご購入後、必ず「取扱説明書」をよくお読みいただきご使用ください。

1)コントロールユニットで「加熱温度」「ベルト速度」等を設定します。


2)シールゲージに沿って袋端を袋挿入部に差し入れるとフィルム検知スイッチがON状態になり、ベルトが回転を始めます。袋端をベルトで挟み込む位置までスライドさせて挿入刷れば、シールがスタートします。


●MF1SBTA133-10WFPPは専用プリンターを装備
MF1SBTA133-10WFPPは、2列印字、1列印字が可能です。
印字位置の調整を行うことができますので、ご使用される包材に応じた印字位置の調整が可能です。

●様々な便利機能を搭載
・ 印字温度、印字位置調整:コントロールパネルのボタン操作で設定を行います
・ 印字数カウンター:0000~9999の範囲で印字数をカウントします
・ 印字設定温度到達時にランプ表示:設定した印字温度となった時にランプ表示でお知らせします
・ テープ切れセンサー:プリントテープの交換時期をブザーでお知らせします
・ 印字列数の切り替え:簡単なレバー操作で1、2列の印字列数切り替えができます



●一定間隔のテープ送りを実現
プリントテープの送り間隔が最後まで一定で巻き取る構造を持ちますので、プリントテープを無駄なく使用することができます。

●インターロック機能
メンテナンスを行う際などプリンターのカバーが開いている状態の時には機械が駆動しない安全機構を持ちます。

●活字を使用した印字です
文字変更は活字を交換することで行います。活字の素材に"真鍮"を採用しました。



●インクを使用しません
印字はインクを使用しない「加熱した活字で プリントテープ を焼き付ける」方式です。


●オプションにて専用スタンドをご用意
適切な作業場所を確保していただくことが困難な場合にご利用いただきたい「専用スタンド台」をご用意いたしました。スタンド台は、シーラーの角度を水平から最大20°まで傾斜させることができます。


■タイプ
MF1SBTA133-10WF MF1SBTA133-10WFPP
卓上エンドレスシーラー/MF1SBTA133-10WF


■仕様
品番 MF1SBTA133-10WF MF1SBTA133-10WFPP
電源電圧 消費電力 AC100V
50/60Hz 1200W
AC100V
50/60Hz 1350W
シール方式 インパルス方式 上下加熱方式
スピード 2~10m/min (0.1m刻み)
加熱温度設定範囲 60~180℃
シール幅 10mm(5mm幅に変更可能)
対応包材厚み 0.5mm以下※1
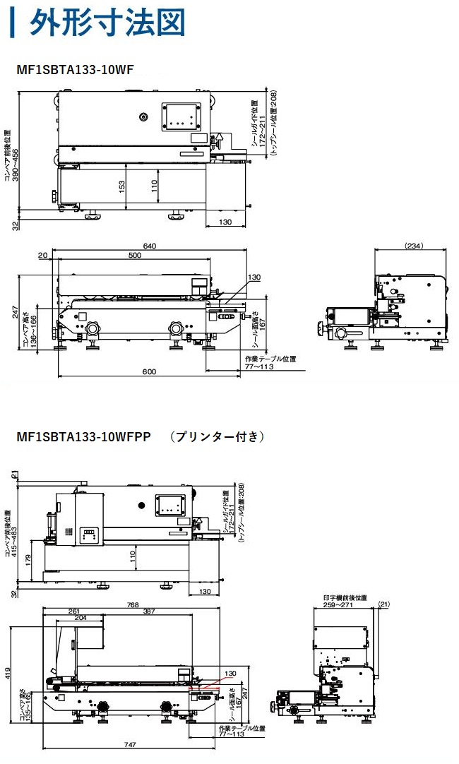
機械寸法(mm)
(幅×奥行※2×高)
640 x 420/490 x 245 770 x 470/540 x 419
質量 25kg 35kg
プリンター 印字方法 - ホットプリント式
電源電圧 消費電力 - AC100V 50/60Hz 180W
印字温度 - 100~180℃(11段階調整)
印字位置調整 - 0.0~5.0秒(0.1秒刻み)
印字面積 - 2列セット時:9mm(高)×36mm(幅)
1列セット時:4mm(高)×36mm(幅)
使用条件 - 気温:0~40℃
湿度:80%以下
※1:フィルム重ね合わせ合計の数値です。
※2:奥行はコンベアが可動式のため最小値/最大値にて表記しています。



運賃、および消費税は、記載価格には、含まれていません。

[トップページに戻る] [注文書] [見積り依頼] TEL 0729-64-8663 FAX 0729-61-4874

営業時間 AM9:00~PM7:00 営業日 月曜日~金曜日 定休日 土曜日 日曜日 祝日