スタンド式縦型エンドレスシーラー

エンドレスシーラー

業務機器&資材 シロ産業 HOME
新製品情報 在庫処分情報 会社概要
見積依頼 ご注文フォーム お問い合わせ
業務用機材商社一筋で、創業41年。東大阪市商工会議所会員、2005年度IT百選企業。
国公立大学、研究所、自衛隊、警察庁 など主な国公立機関に納入実績多数。医療機器販売業免許取得済

包装資材 包装機械 物流機器 測定機器 洗剤 ケミカル 蛍光灯 季節品-夏 季節品-冬 弱電工具 ホイスト 環境機器 掃除機 ムーブテック 切削工具 機械工具調理厨房機器 研究室用品 安全防犯防災品 エクステリア 新商品 在庫処分


カテゴリー第二分類(包装機械)
包装機械カテゴリー一覧を見る

関連商品一覧

スタンド式縦型エンドレスシーラー/品番 MF1TBTA133-10WF 【詳細表示】
商品番号 MF1TBTA133-10WF 価 格
スタンド式縦型エンドレスシーラーMF1TBTA133-10WF シール部を立て配置することによりスタンドバック※の包装に適した特長を持ちます。
スピィーディーである熱板式ベルトシーラーの長所と美しく高精度なシーリングを行う事が出来るインパルスシーラーの長所を兼ね備えた画期的なシーラーです。
加熱温度制御を標準搭載しています。

※一部適さない包材、包装物もあります
スタンド式縦型エンドレスシーラー
品番 MF1TBTA133-10WF
価格は下記をご覧ください
■特長
●ベルト式電動シーラー
●操作方法:電動
●包装形態:シール専用
●機種選定目安使用回数/日:電動=3000袋以上
●包装可能な包材(2枚異常合わせての合計):
PE:0.6mm
PP:0.4mm
NY:0.4mm
PAV:0.4mm
その他ラミネート:0.5mm



●加熱温度制御機能搭載インパルス式ベルトシーラー
加熱温度制御機能を備えたインパルス方式のベルト方式のベルトシーラーはインパルスシーラーのメリット「予熱の必要が無く加熱工程だけヒーター部に通電する」をさらに向上させ、「設定加熱温度を維持したままシールできる」たいへん効率的で無駄な電力を消費しないシーラーです。


●シールスピード(最速10m/分)
熱板シーラーの特性を最大限に活かしたシーラーが従来からの熱板式ベルトシーラーです。
熱板式ベルトシーラーの強みはヒーター部が過熱温度に達すれば、非常にスピーディーにシールを行う事が出来ると言うことでした。
富士インパルス:縦型ベルトシーラーはインパルスシーラーのメリットとベルトシーラーのメリットの双方を備え、よりスピーディな作業で美しいシールを行っていただくことが可能です。
シールスピードは、2~10m/分の範囲で調整することが可能です。

●単一制御のスピードコントロール
「シールベルトのスピード」と「コンベアのスピード」の同期調整は不要です。
コントローラーで設定すれば、シールベルト、コンベアスピードは自動的に同期します。

●シール角度が調整できます。
包装される袋や内容物に合わせて、シール角度を水平から垂直まで無段階で調整する事が出来ます。

●メンテナンス時は頭部を水平位置で固定
メンテナンスを行う際は水平状態に設定することで作業を容易に行う事が出来ます。


●シール高さが調整できます。
包装される袋の大きさ(高さ)に合わせて、シール高さの調整をすることができます。
シール高さはハンドルを回す簡単な操作できます。
シール角度が垂直設定の場合、50~300mmのサイズまでの包材に対応します。


●製品の背面のハンドルを回してシール高さの調整を行います。


●プリンター装着モデル (MF1TBTA133-10WFPP)
専用プリンター装備モデルは、2列印字、1列印字が可能です。
印字位置の調整を行う事が出来ますので、ご使用される包材に応じた印字位置の調整が可能です。


■さまざまな便利機能を搭載
●印字温度、印字位置調整:コントロールパネルのボタン操作で設定を行います。
●印字数カウンター:0000~9999の範囲で印字数をカウントします。
●印字設定温度到達時にランプ表示:設定した印字温度となった時にランプ表示でお知らせします。
●テープ切れセンサー:プリントテープの交換時期をブザーでお知らせします
●印字列数の切り替え:簡単なレバー操作で1、2列の印字列数切り替えができます。


■一定間隔のテープ送りを実現
プリントテープの送り間隔が最後まで一定で巻き取る構造を持ちますので、プリントテープを無駄なく使用する事が出来ます。

■インターロック機能
メンテナンスを行う際などプリンターのカバーが開いている状態の時には機械が駆動しない安全機構を持ちます。

■活字を使用した印字です。
文字変更は活字を交換することで行います。活字の素材に”真鍮”を採用しました。

●附属活字明細


●インクを使用しません
印字はインクを使用しない「加熱した活字で プリントテープ を焼き付ける」方式です。



■タイプ
MF1TBTA133-10WF MF1TBTA133-10WFPP



■仕様
品番 MF1TBTA133-10WF MF1TBTA133-10WFPP
電源電圧
消費電力
  AC100V
50/60Hz 1200W
AC100V
50/60Hz 1350W
シール方式 インパルス方式 上下加熱方式
スピード 2~10m/min (0.1m刻み)
加熱温度設定範囲 60~180℃
ブロワ―最大流量 -
シール幅 10mm (5mm幅に変更可能)
対応包材厚み 0.5mm以下 ※1
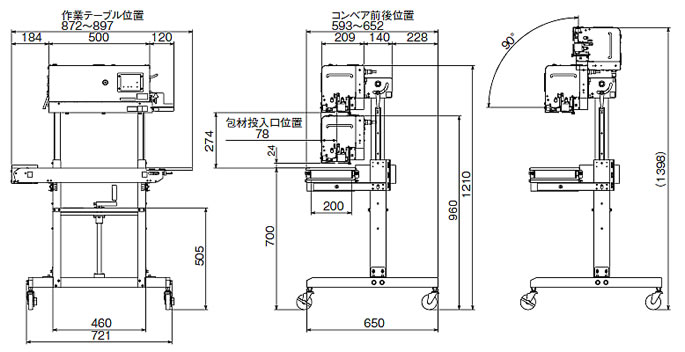
機械寸法(mm)
幅×奥行※2×高さ※3
897×650×965/1215 897×750×995/1215
質量 54kg 64kg
プリンター※4 印字方法 - ホットプリント式
消費電力 - 160W
印字温度 - 100~180℃ (11階段調整)
印字位置調整 - 0.0~5.0秒 (0.1秒刻み)
印字面積 - 2列セット時 9mm(高)×36mm(幅)
1列セット時 4mm(高)×36mm(幅)
※1:フィルム重ね合わせ合計の数値です。
※2:機械寸法;奥行はコンベアが可動式のため最小値/最大値にて表記しています。
※3:脱気モデルの機械寸法;高さはスタンド・テーブルが可動式のため最小値/最大値にて表記しています。
※4:使用条件・・・気温:0~40℃ 湿度:80%以下



■外形寸法図



■簡単な操作
1.コントロールユニットで「加熱温度」「ベルト速度」等を設定します。


2.シールゲージに沿って袋端を袋挿入部に差し入れるフィルム検知スイッチがON状態により、ベルトが回転を始めます。袋端をベルトで挟み込む位置までスライドさせて挿入すれば、シールがスタートします。

運賃、および消費税は、記載価格には、含まれていません。

[トップページに戻る] [注文書] [見積り依頼] TEL 0729-64-8663 FAX 0729-61-4874

営業時間 AM9:00~PM7:00 営業日 月曜日~金曜日 定休日 土曜日 日曜日 祝日